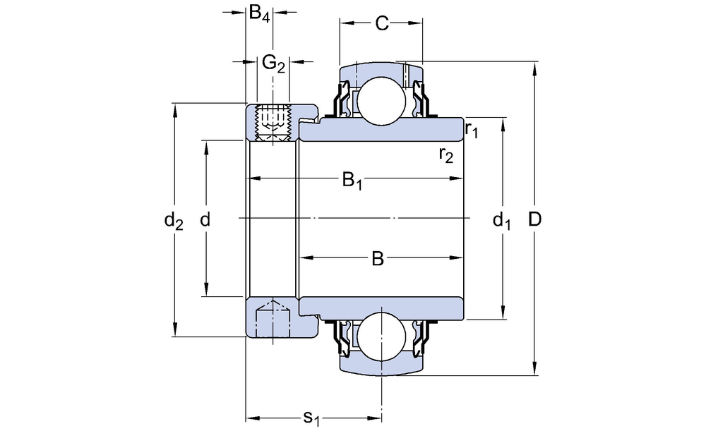
Y-Lager mit Exzenterring sollten vornehmlich in Lagerungen mit
gleichbleibender Drehrichtung Verwendung finden. Bei diesen Lagern ist
eine Seite des Innenrings mit einer exzentrischen Andrehung versehen,
auf die der Exzenterring mit einer exzentrischen Ausdrehung aufgesetzt
wird und in Drehrichtung der Welle gegenüber dem Innenring verdreht und
festgezogen wird. Durch Festziehen des Gewindestifts im Exzenterring
wird das Lager auf der Welle gesichert.
Die Y-Lager dieser Reihe haben einen beidseitig verbreiterten Innenring.
Dadurch ist die Verkippung des Innenrings auf der Welle eingeengt, was
die Lager ruhiger laufen lässt.
Die Lager der Reihe YEL 2 sind mit einer Hochleistungs-Standarddichtung
und auf beiden Seiten mit einer zusätzlichen Schleuderscheibe versehen.
Die Schleuderscheiben sind entweder aus:
Stahlblech gepresst, Lager-Nachsetzzeichen 2F
aus Stahlblech gepresst und mit einer anvulkanisierten Dichtlippe
(Mehrfachdichtung) versehen Nachsetzzeichen 2RF/VL065
Die Y-Lager der ReiheYEL 2 haben serienmäßig zwei, um 120° versetzte
Schmierbohrungen, die beidseits der Laufrille im Außenring angeordnet
sind.
Über 80 Jahre Erfahrung, über 3 Mio. lieferbare Artikel und erstklassige Qualitätsprodukte führender Hersteller – Ihr zuverlässiger Partner für technischen Industriebedarf.