SPANNROLLE, D=30, L=35, R=30, POLYAMID
Artikelnummer: 48022102-30035
Werkstoff:
Rolle Kunststoff PA6.
Kugellager Wälzlagerstahl.
Schraube und Mutter Stahl.
Ausführung:
Kugellager mit Dichtscheiben 2Z-C3.
Schraube ISO 4017, Festigkeitsklasse 8.8, verzinkt.
Mutter ISO 4035, Festigkeitsklasse 8, verzinkt.
Bestellbeispiel:
nlm 22102-30035
Hinweis:
Einbaufertige Spannrollen für Riemen komplett mit Kugellager. Die Kugellager sind beidseitig abgedichtet, lebensdauergeschmiert und somit wartungsfrei.
Zum Spannen von Riemen auf der Riemen-Außenseite (Riemenrücken). Die Spannrolle kann mit allen Spannelementen zu einem elastischen Riemenspanner kombiniert werden. Die Montage kann auch starr ohne Spannelement erfolgen. Auch als Umlenkrolle einsetzbar.
Temperaturbereich:
-40 °C bis +100 °C.
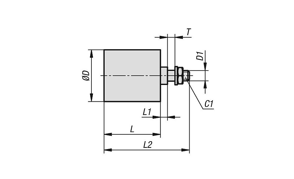
Technische Eigenschaften:
- Anziehdrehmoment der Schraube C1 Nm: 10
- Benennung: Spannrolle
- D=Durchmesser: 30
- D1: M8
- Gewicht in kg (ERP): 0.0715
- L=Länge: 35
- L1: 3
- L2: 51
- Material Grundkörper: Polyamid
- max. Drehzahl 1/min: 8000
- Passend zu Spannelement Größe : 1
- Riemenbreite max. : 30
- T max.: 7
-
Preis inkl. MwSt.
-
Preis exkl. MwSt.
- zzgl. Versandkosten
- Taggleicher Standardversand bis 16 Uhr
- Vorteilbox.Zahlung per Rechnung
- Über 3 Mio Produkte
Technische Daten
- Gewicht71 g
- EAN4059495462035
- Hersteller/MarkeNORELEM
- ECLASS 14.023-17-04-91 (Kettentrieb (Teile))
- Gewicht pro1
- Zolltarifnummer84879090
- TypSpannrolle
Artikelgruppe: 480300