KETTENGLEITER, ISO=06B-1, D=8, KUNSTSTOFF
Artikelnummer: 48022281-03-0608
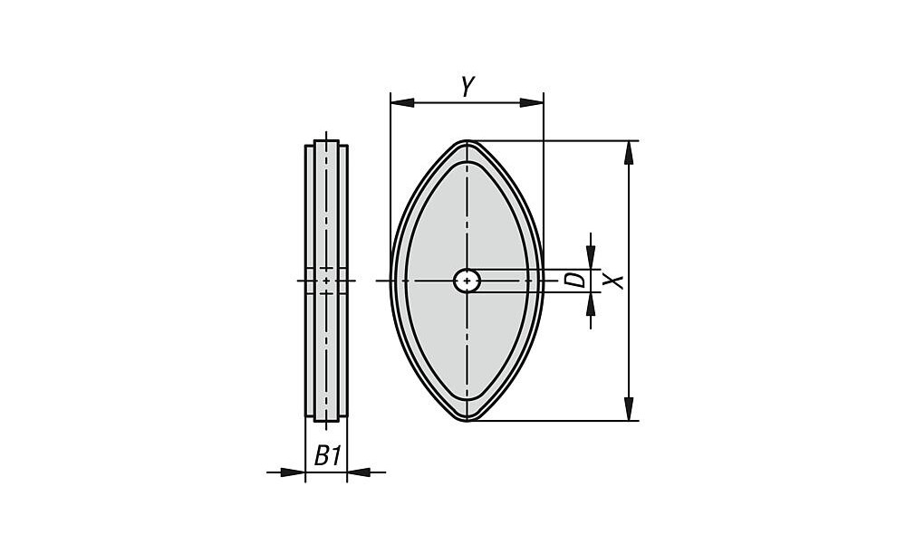
Technische Eigenschaften:
- B1: 10,2
- Benennung: Kettengleiter
- D=Gewinde: 8
- Gewicht in kg (ERP): 0.0226
- ISO-Nr.: 06 B-1
- Material Grundkörper: Kunststoff
- PL Edelstahl: false
- X: 74
- Y: 40
-
Preis inkl. MwSt.
-
Preis exkl. MwSt.
- zzgl. Versandkosten
- Taggleicher Standardversand bis 16 Uhr
- 99,92 % Lieferpräzision. Punktgenau. Verlässlich.
- Über 3 Mio Produkte
Technische Daten
- Gewicht23 g
- EAN4059495813066
- Herstellerartikelnummer22281-03-0608
- ECLASS 14.023-17-04-91 (Kettentrieb (Teile))
- Gewicht pro1
- Zolltarifnummer84879090
- TypKettengleiter
Artikelgruppe: 480300