KEILWELLE ÄHNLICH DIN ISO 14, P=KW16X20, N=6, L=1000, EDELSTAHL 1.4301
Artikelnummer: 48024010-16202X1000
Werkstoff:
Stahl C45 oder Edelstahl 1.4301.
Ausführung:
kaltgezogen, blank.
Bestellbeispiel:
nlm 24010-11141X2000 (Länge L mit angeben)
Hinweis:
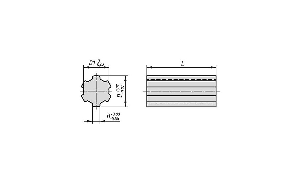
Keilwellen angelehnt an DIN ISO 14 mit geraden, parallelen Flanken. Eine Keilwelle mit Keilnabe dient der Übertragung von hohen Drehmomenten bei gleichzeitiger axialer Verschiebbarkeit. Die Keilwellen werden kaltgezogen hergestellt. Durch das Kaltziehen wird der Faserverlauf des Ausgangsmaterials nicht unterbrochen. Dadurch weisen die Keilwellen eine hohe Festigkeit auf.
Toleranzen:
Geradheit 0,8 mm/m.
Torsion max. 0,5 mm/m.
Auf Anfrage:
Weitere Längen.
Technische Eigenschaften:
- Anzahl der Keile : 6
- B: 4
- Benennung: Keilwelle
- D: 20
- D1: 16
- DIN ISO: ähnlich DIN ISO 14
- Gewicht in kg (ERP): 1.9500
- L max.: 3000
- L=Länge: 1000
- Material Grundkörper: Edelstahl
- P=Profil: KW16X20
- PL Edelstahl: true
- Stahlschlüssel Grundkörper: 1.4301
- Ursprungs-Region: 08
-
Preis inkl. MwSt.
-
Preis exkl. MwSt.
- zzgl. Versandkosten
- Taggleicher Standardversand bis 16 Uhr
- 99,92 % Lieferpräzision. Punktgenau. Verlässlich.
- Über 3 Mio Produkte
Technische Daten
- Gewicht1,95 kg
- EAN4059495462660
- Hersteller/MarkeNORELEM
- ECLASS 14.023-02-03-90 (Keilwelle (nicht spezifiziert))
- Gewicht pro1
- Zolltarifnummer72224090
- ProduktartKeilwelle
Artikelgruppe: 480350