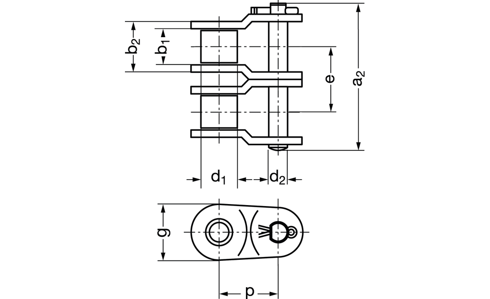
Sofern Ketten nicht in endloser Ausführung geliefert werden, verbindet
man die Kettenenden bei Ketten bis 1“ Teilung meist durch ein
Steckglied, dessen Stecklasche durch einen Federverschluss gehalten
wird. Bei Ketten ab 1 1/4“ Teilung p aufwärts, bzw. bei Ketten nach DIN
8188 auf Wunsch schon ab 3/4“ Teilung p, erhält das Steckglied
Splintverschlüsse.
Mit einem gekröpften Glied können Ketten mit ungerader Gliederzahl
erreicht werden.
Gekröpfte Glieder nach Möglichkeit vermeiden, da die Bruchlast um ca. 20
% reduziert wird!
Über 80 Jahre Erfahrung, über 3 Mio. lieferbare Artikel und erstklassige Qualitätsprodukte führender Hersteller – Ihr zuverlässiger Partner für technischen Industriebedarf.