SKF Y-TECH Stehlagereinheit mit langem Fuß, Verbundwerkstoff, Gewindestiftbefestigung und Schleuderscheiben
Zu den VariantenDie SKF Y-TECH-Stehlagereinheiten haben ein schwarzes Gehäuse aus Verbundwerkstoff und können nicht nachgeschmiert werden. Sie sind für Lagerungen konzipiert, die in schwierigem Umfeld bei langen Betriebszeiten ohne Wartung zuverlässig arbeiten müssen.
Die Y-TECH-Stehlagereinheiten der Reihe SYK stehen in zwei Ausführungsvarianten zur Verfügung; entweder mit den Y-Lagern der Reihe YAR 2-4F , Nachsetzzeichen der Lagereinheit TF, oder der Reihe YAR 2-2RF, Nachsetzzeichen der Lagereinheit TR. Diese Einheiten werden auf
der Welle mit zwei Gewindestiften festgesetzt.
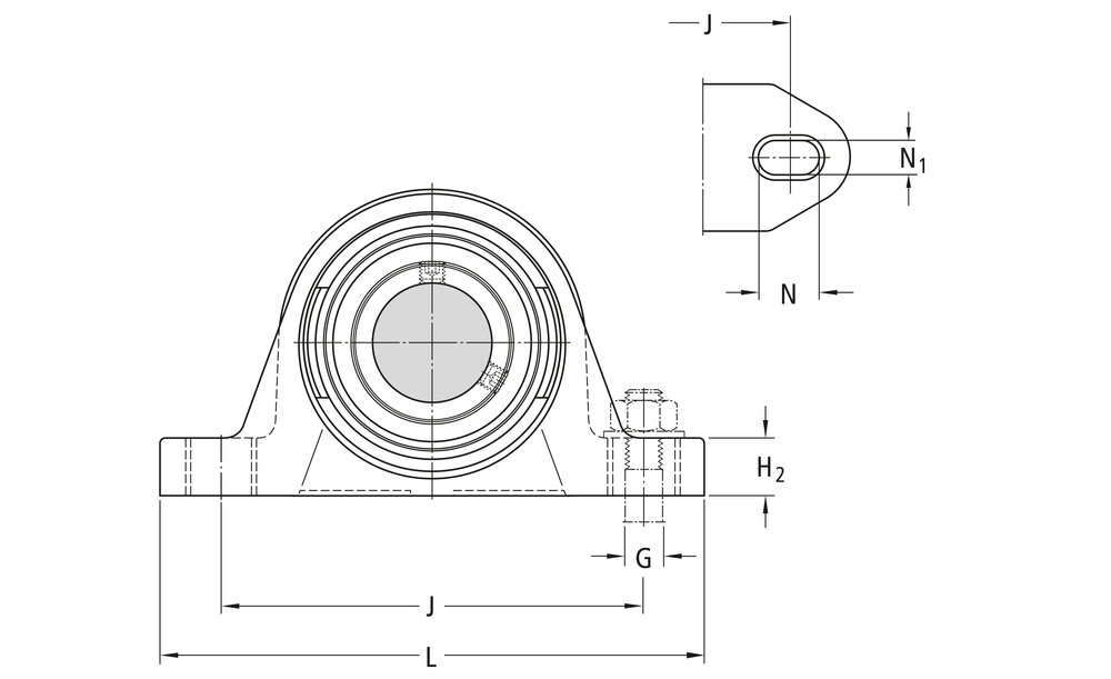
Technische Daten
- Zolltarifnummer84832000
- Hersteller/MarkeSKF