SKF Y-Stehlagereinheit mit langem Fuß, Grauguss, Gewindestiftbefestigung und Mehrfachdichtung

Zu den Varianten

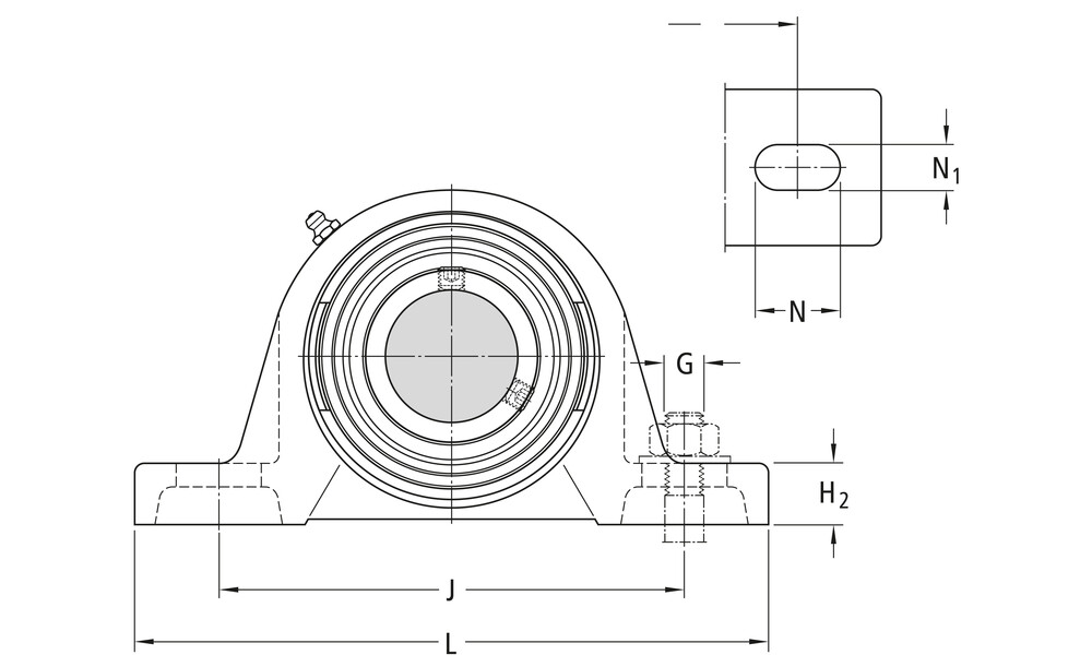
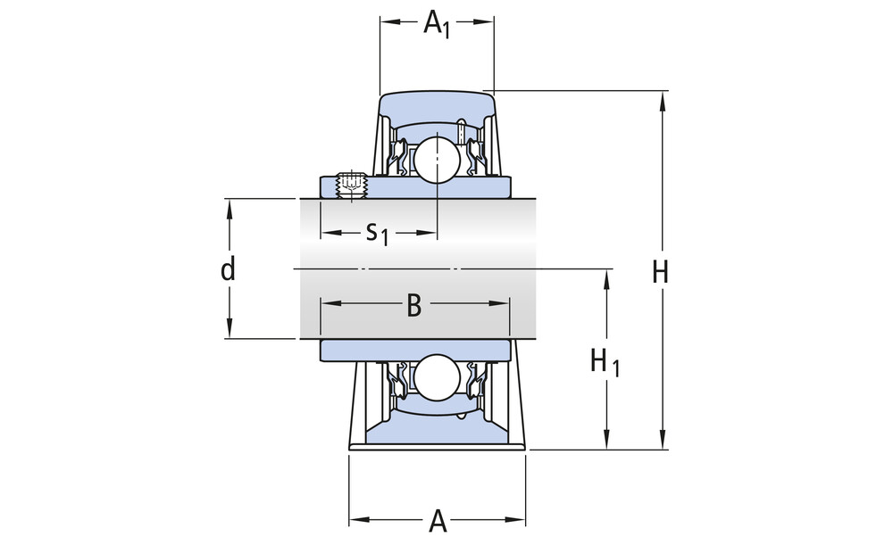
Die SKF Standard-Kugellagereinheiten werden als Y-Lagereinheiten bezeichnet und bestehen aus einem Y-Lager (Spannlager), das auf einem einreihigen Rillenkugellager mit kugeliger Außenringmantelfläche und breitem Innenring basiert sowie dem Lagergehäuse, dessen Aufnahmebohrung entsprechend hohlkugelig ausgeführt ist.

Y-Lagereinheiten ermöglichen den Ausgleich von fertigungs- oder montagebedingten Fluchtungsfehlern, können im Normalfall jedoch keine wärmebedingten Längenänderungen der Welle ausgleichen.

Y-Stehlagereinheiten sind standardmäßig in verschiedenen Ausführungen erhältlich und können den überwiegenden Teil der im Abschnitt Y-Lager aufgeführten Lager beinhalten.

Technische Daten
  • Zolltarifnummer84832000
  • Hersteller/MarkeSKF
Filter aktivieren
Produktvarianten (1–2 von 2)