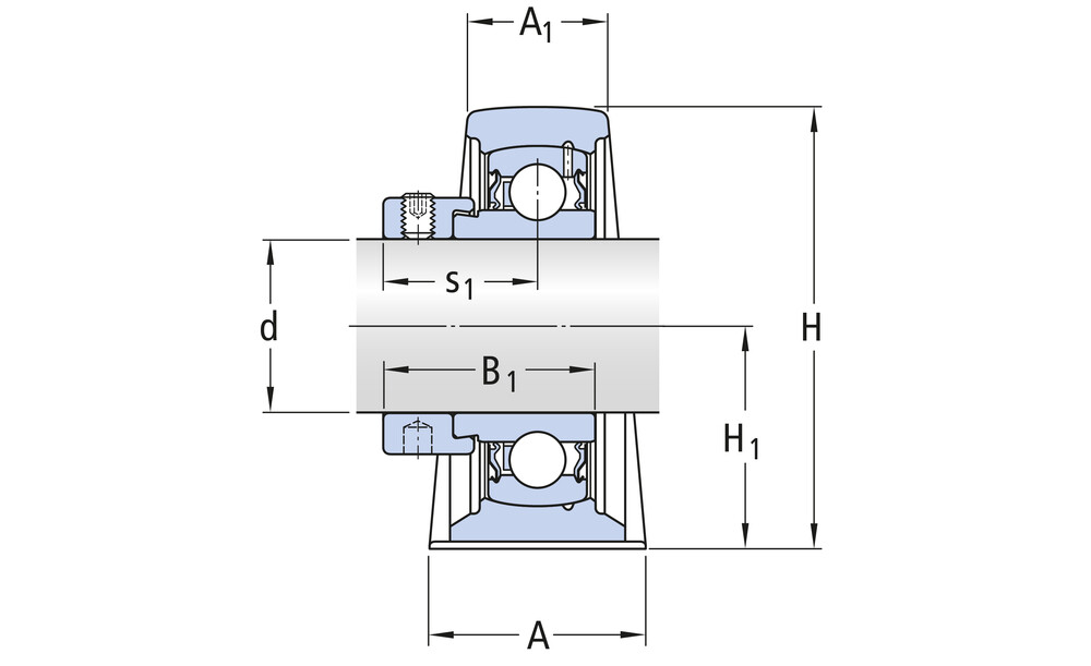
Die SKF Standard-Kugellagereinheiten werden als Y-Lagereinheiten
bezeichnet und bestehen aus einem Y-Lager (Spannlager), das auf einem
einreihigen Rillenkugellager mit kugeliger Außenringmantelfläche und
breitem Innenring basiert sowie dem Lagergehäuse, dessen Aufnahmebohrung
entsprechend hohlkugelig ausgeführt ist.
Y-Lagereinheiten ermöglichen den Ausgleich von fertigungs- oder
montagebedingten Fluchtungsfehlern, können im Normalfall jedoch keine
wärmebedingten Längenänderungen der Welle ausgleichen.
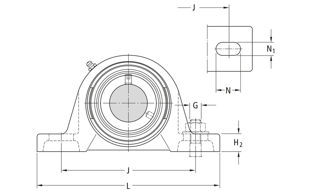
Y-Stehlagereinheiten sind standardmäßig in verschiedenen Ausführungen
erhältlich und können den überwiegenden Teil der im Abschnitt Y-Lager
aufgeführten Lager beinhalten.
Über 80 Jahre Erfahrung, über 3 Mio. lieferbare Artikel und erstklassige Qualitätsprodukte führender Hersteller – Ihr zuverlässiger Partner für technischen Industriebedarf.