SKF Y-Spannlagerkopfeinheiten, Grauguss mit Exzenterringbefestigung

Zu den Varianten

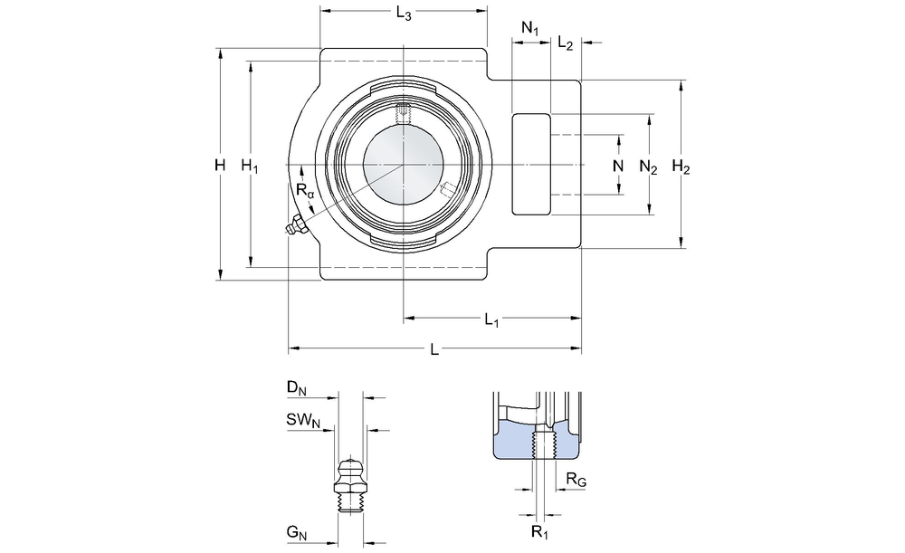
Die SKF Y-Spannlagerkopfeinheiten bestehen aus einem Spannlagergehäuse aus Grauguss und einem darin integrierten Y-Lager. Diese Lagereinheiten kommen hauptsächlich in Spannvorrichtungen, z. B. von Bandanlagen, zum Einsatz und werden dort über einen Spannbolzen in einem Spannrahmen angeordnet. Die SKF Y-Spannlagerkopfeinheiten sind über einen Schmiernippel im Gehäuse nachschmierbar. Die Befestigung der Lagereinheiten kann wahlweise erfolgen über

• zwei Gewindestifte im Innenring

• einen Exzenterring mit einem Gewindestift

Technische Daten
  • Zolltarifnummer84832000
  • Gehäusebreite A37
  • Hersteller/MarkeSKF
Filter aktivieren
Produktvarianten (1–2 von 2)