IGUS Führungswagen TW-01-HKA

Zu den Varianten

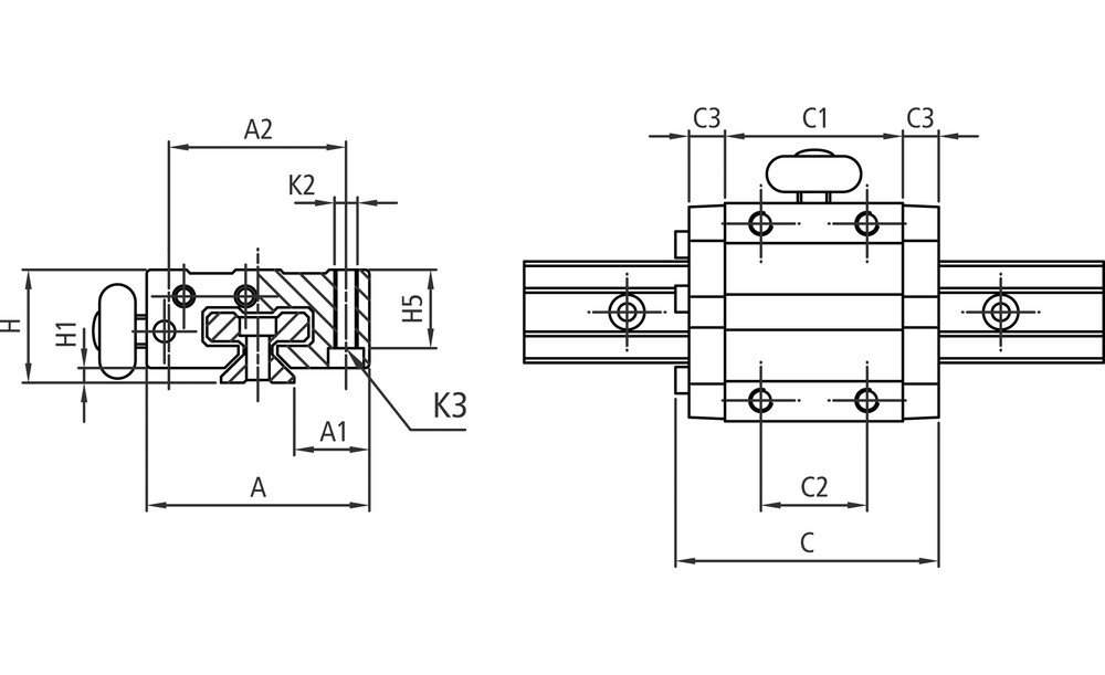
Der Grundkörper des Wagens ist aus Aluminium und farblos anodisiert. 6 Gleitelemente dienen als Führungslager. Die T-Schienenführungen werden häufig in der Automatisierungstechnik und Handhabung eingesetzt. Durch die Abmessungen können diese Führungssysteme auch häufig als Alternative zu Profilschienenführungen mit Wälzkörpern eingesetzt werden. Speziell auch bei Anwendungen die eine Schmierstofffreiheit erfordern oder die Schmutzbelastung hoch ist, kann dies den wichtigen Vorteil bieten. Die Wagenausführung HKA bietet eine zusätzliche Handklemmung zur Feststellung des Wagens.

Technische Daten
  • Zolltarifnummer84833080
  • Hersteller/MarkeIGUS
Filter aktivieren
Produktvarianten (1–4 von 4)