SKF Vierpunktlager mit Messingkäfig und zwei Haltenuten

Zu den Varianten

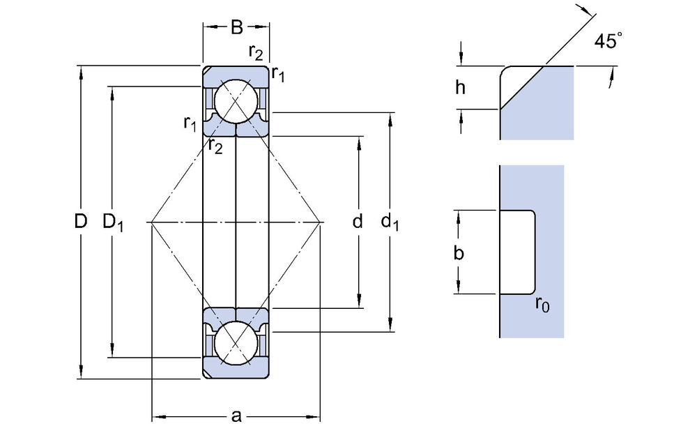
Vierpunktlager sind einreihige Radial-Schrägkugellager, deren Laufbahnen so ausgebildet sind, dass Axialbelastungen in beiden Richtungen aufgenommen werden können. Radiale Belastungen können nur bis zu einem Bruchteil der axialen Belastung aufgenommen werden. Vierpunktlager beanspruchen in axialer Richtung deutlich weniger Platz als zweireihige Lager.

Die Lager haben einen geteilten Innenring und sind nicht selbsthaltend. Dadurch können viele Kugeln im Lager untergebracht werden, die dem Lager eine hohe Tragfähigkeit geben. Außerdem kann der Einbau des Außenrings mit Kugelsatz getrennt vom geteilten Innenring erfolgen.

SKF Vierpunktlager sind mit zwei Haltenuten im Außenring erhältlich, um Lager, die mit radialem Spiel im Gehäuse eingesetzt werden, einfach und sicher in Gehäuse festlegen zu können (Nachsatzzeichen N2). Die beiden Haltenuten sind um 180° versetzt in einer Stirnseite des Außenringes angeordnet. Die Abmessungen und Toleranzen der Haltenuten entsprechen ISO 20515:2012 bzw. DIN 5412-1:2012 und sind in dieser angegeben.

Achtung: Die Abbildungen zeigt das Lager mit Transportsicherung, diese ist vor den Einbau zu entfernen.

Technische Daten
  • Zolltarifnummer84821090
  • KäfigwerkstoffMessing
  • Hersteller/MarkeSKF
Filter aktivieren
Produktvarianten (1–15 von 15)