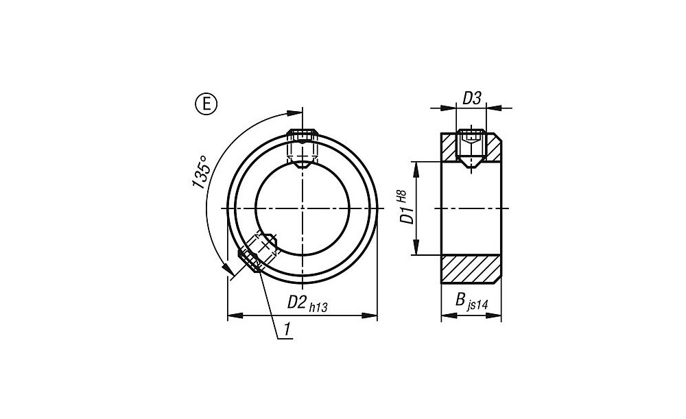
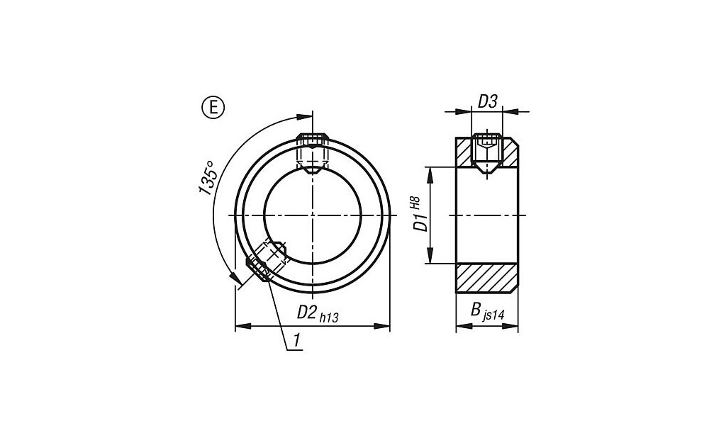
STELLRING DIN705, FORM:E GEWINDESTIFT MIT 6-KANT 12X22, B=12, EDELSTAHL BLANK, KOMP:EDELSTAHL
Artikelnummer: 480K0406.301202
Werkstoff:
Edelstahl 1.4305.
Ausführung:
blank.
Zeichnungshinweis:
1) zweiter Gewindestift ab D1 = 75
Technische Eigenschaften:
- Ausführung 1: Gewindstift
- Ausführung 2: mit Innensechskant
- B=Stärke: 12
- Benennung: Stellring
- D1=Innendurchmesser: 12
- D2=Außendurchmesser: 22
- D3 Gewindestift: M6x8
- DIN: DIN 705
- Form: E
- Form-Typ: Gewindestift mit Sechskant
- Gewicht in kg (ERP): 0.0243
- Material Grundkörper: Edelstahl
- Material Komponente: Edelstahl
- Oberfläche Grundkörper: blank
-
Preis inkl. MwSt.
-
Preis exkl. MwSt.
- zzgl. Versandkosten
- Taggleicher Standardversand bis 16 Uhr
- Vorteilbox.Zahlung per Rechnung
- Über 3 Mio Produkte
Technische Daten
- Gewicht24,26 kg
- EAN4059245154999
- Herstellerartikelnummer138065
- WerkstoffEdelstahl
- Außendurchmesser22
- ECLASS 14.023-09-04-05 (Stellring, Klemmring)
- Gewicht pro1000
- Zolltarifnummer73269098
- Hersteller/MarkeKIPP
- Innendurchmesser12
- Breite12
Artikelgruppe: 480250
Alternativen zu KIPP Stellring DIN 705 Form E niro, 480K0406.301202