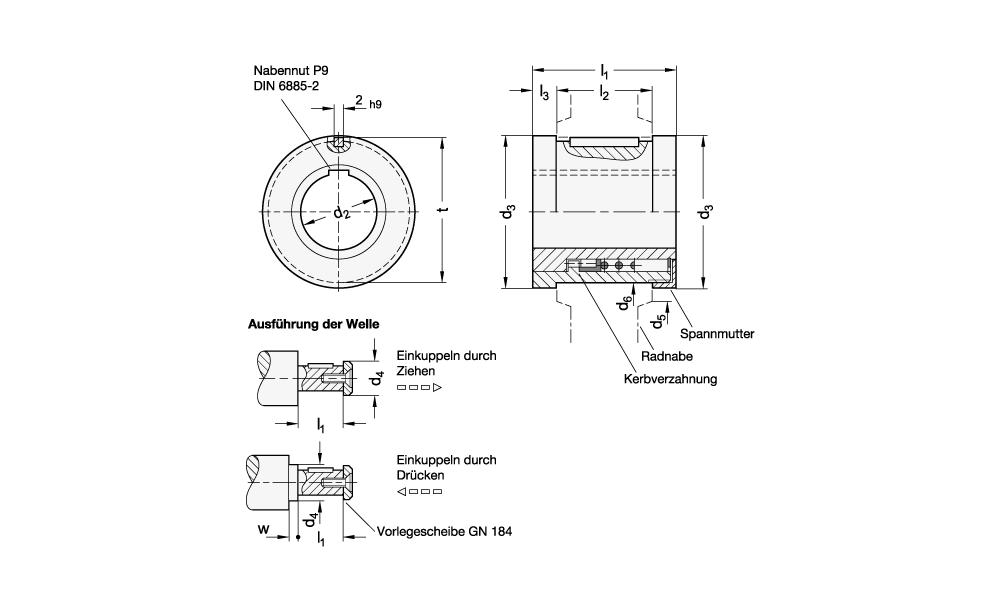
GANTER Kupplungssatz
Artikelnummer: 480GN000.4-1-K12
GANTER Kupplungssatz
-
Preis inkl. MwSt.
-
Preis exkl. MwSt.
- zzgl. Versandkosten
- Taggleicher Standardversand bis 16 Uhr
- Vorteilbox.Zahlung per Rechnung
- Über 3 Mio Produkte
Technische Daten
- Gewicht81 g
- EAN4045525000179
- Herstellerartikelnummer000.4-1-K12
- ProduktartKupplungssatz
- Gewicht pro1
- Zolltarifnummer84836080
- Hersteller/MarkeGANTER
- ECLASS 14.023-01-03-91 (Handrad (Bedienungselement, Teile))
Artikelgruppe: 480100