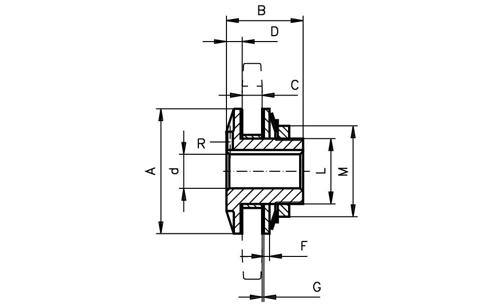
Rutschnabe FS Drehmoment einstellbar 2-10 Nm
Artikelnummer: 45561200500
Rutschnabe FS Drehmoment einstellbar 2-10 Nm
-
Preis inkl. MwSt.
-
Preis exkl. MwSt.
- zzgl. Versandkosten
- Taggleicher Standardversand bis 16 Uhr
- 99,92 % Lieferpräzision. Punktgenau. Verlässlich.
- Über 3 Mio Produkte
Technische Daten
- Gewicht280 g
- Zolltarifnummer84836080
- Hersteller/MarkeMÄDLER
- ECLASS 14.023-03-17-91 (Überlastkupplung (Drehmomentbegrenzer, Teile))
- Gewicht pro1
- Herstellerartikelnummer61200500
- Drehmoment TKN10
Artikelgruppe: 455045