SKF Wellenmuttern mit Klemmstift KMFE

Zu den Varianten

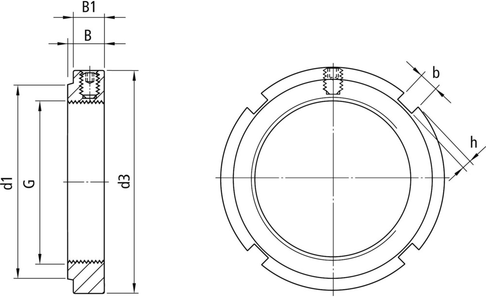
Wellenmuttern mit Klemmstift (KMFE)

Wellenmuttern mit Klemmstift werden kraftschlüssig gesichert. Dabei verformt der Klemmstift im Mutternkörper beim Anziehen einen kleinen Bereich des Mutterngewindes elastisch und sichert die Wellenmutter dadurch gegen Verdrehen. Weder ein Sicherungsblech noch eine Nut in der Welle sind erforderlich.

Technische Daten
  • Zolltarifnummer73181660
  • ProduktartWellenmutter
  • Hersteller/MarkeSKF
Filter aktivieren
Produktvarianten (1–4 von 4)