GANTER Vertikal-Spanner mit waagrechtem Fuß GN810

Zu den Varianten

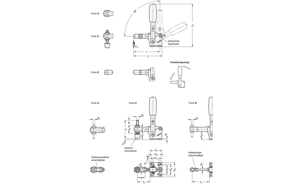
Vertikal-Spanner GN 810 arbeiten nach dem Kniehebelprinzip, Spannhebel und Spannarm bewegen sich dabei in gleicher Richtung. In Spannstellung befindet sich der Betätigungshebel in vertikaler Position.

Vertikal-Spanner mit offenem Spannarm nehmen in Form A über die Flankenscheiben eine anwendungsspezifische Schraube auf, bei der Form C ist zusätzlich eine Andrückschraube mit Gummi-Druckstück im Lieferumfang enthalten. Vertikal-Spanner in Form E können durch Anschweißen der mitgelieferten Halteschelle oder zusammen mit Haltern für Andrückschrauben GN 809 auf besondere Anforderungen angepasst werden.

Technische Daten
  • Zolltarifnummer82057000
  • ProduktartSchnellspanner
  • Größe75
  • Hersteller/MarkeGANTER
  • WerkstoffC 10 - Einsatzstahl C 10
Filter aktivieren
Produktvarianten (1–6 von 6)