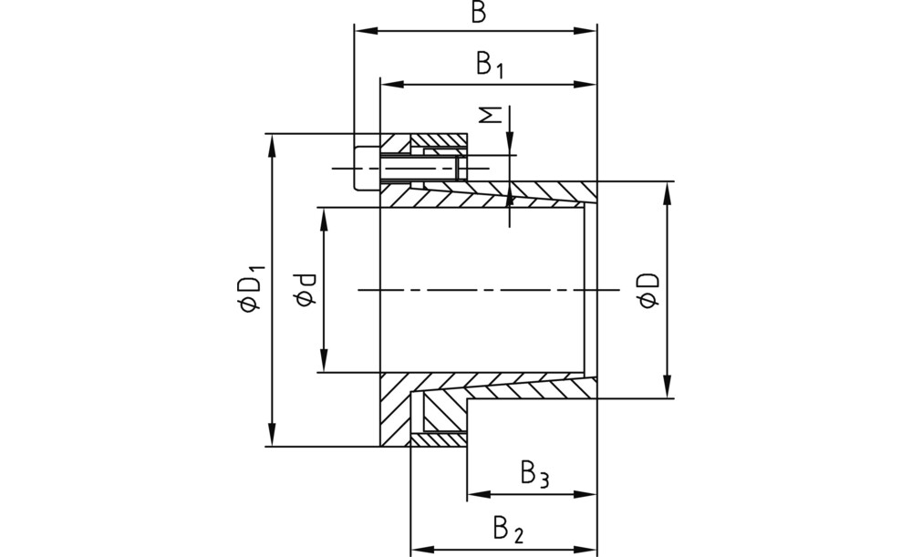
CLAMPEX®-Spannelemente sind Welle-Nabe-Verbindungen. Sie ermöglichen
eine spielfreie und kraftschlüssige Verbindung zwischen ungenuteten,
zylindrisch glatten Wellen und Naben. Das Verspannen der Spannelemente
erfolgt dabei über integrierte Schrauben, die zudem für das
zerstörungsfreie Lösen der Spannelemente verwendet werden (Einzige
Ausnahme bildet hier die Baureihe KTR 150). Je nach Typ, wird das Lösen
der Spannelemente durch reines Entspannen der Schrauben oder durch
zusätzliches Abdrücken der einzelnen Spannsatzelemente voneinander
durchgeführt.
CLAMPEX®-Spannelemente werden unter anderem als Alternative zur
Passfederverbindung bevorzugt.
Produktmerkmale
Spannsatz speziell für Naben mit sehr geringer Wandstärke
Kostenreduzierung durch Materialeinsparung
Geringe radiale Einbaumaße
Mit Axialfixierung
Kurze Montage- und Demontagezeiten
Über 80 Jahre Erfahrung, über 3 Mio. lieferbare Artikel und erstklassige Qualitätsprodukte führender Hersteller – Ihr zuverlässiger Partner für technischen Industriebedarf.