KTR CLAMPEX 100

Zu den Varianten

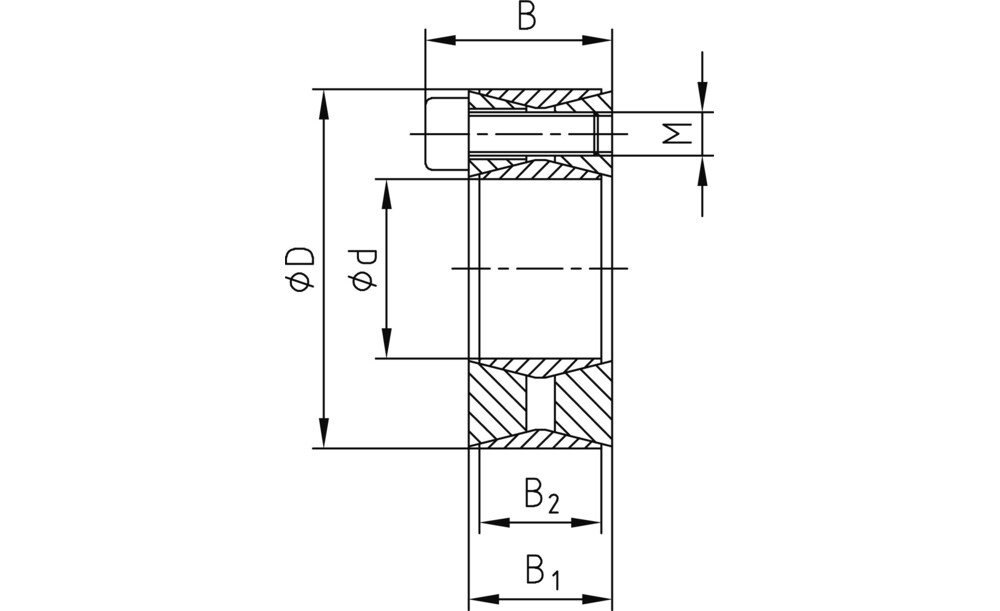
CLAMPEX®-Spannelemente sind Welle-Nabe-Verbindungen. Sie ermöglichen eine spielfreie und kraftschlüssige Verbindung zwischen ungenuteten, zylindrisch glatten Wellen und Naben. Das Verspannen der Spannelemente erfolgt dabei über integrierte Schrauben, die zudem für das zerstörungsfreie Lösen der Spannelemente verwendet werden (Einzige Ausnahme bildet hier die Baureihe KTR 150). Je nach Typ, wird das Lösen der Spannelemente durch reines Entspannen der Schrauben oder durch zusätzliches Abdrücken der einzelnen Spannsatzelemente voneinander durchgeführt.

CLAMPEX®-Spannelemente werden unter anderem als Alternative zur Passfederverbindung bevorzugt.

Produktmerkmale

Klassischer Spannsatz ohne Selbstzentrierung

Axiale Fixierung der Nabe

Kurze Bauform

Zusätzliche Nabenzentrierung erforderlich

Technische Daten
  • Zolltarifnummer84839089
  • Hersteller/MarkeKTR
Filter aktivieren
Produktvarianten (1–25 von 41)