KUGELSPERRBOLZEN MIT PILZGRIFF, D1=10, L=40, L1=8,9, L5=48,9, EDELSTAHL 1.4542, HOHE SCHERFESTIGKEIT,
Artikelnummer: 480K0791.12510040
Werkstoff:
Pilzgriff und Druckknopf Edelstahl 1.4305.
Bolzen Edelstahl 1.4542.
Kugeln Edelstahl 1.4125.
Druckfeder Edelstahl 1.4310.
Ausführung:
blank.
Bestellbeispiel:
K0791.12510050
(Länge L mit angeben, z.B. 050 für L = 50 mm)
Hinweis:
Kugelsperrbolzen dienen zum schnellen und einfachen Fixieren und Verbinden von Bauteilen.
Durch Drücken des Druckknopfes können die beiden Kugeln entriegelt und somit die zu verbindenden Teile abgesteckt werden. Wird der Druckknopf losgelassen, verriegeln die Kugeln die Verbindung sicher.
Scherkraft zweischnittig (F) = S · t aB max.
Bei den Angaben zur Scherkraft handelt es sich um die theoretische Bruchlast.
Es sind unverbindliche Richtwerte ohne Berücksichtigung von Sicherheitsfaktoren und unter Ausschluss jeglicher Haftung. Die angegebenen Werte dienen ausschließlich der Information und stellen keine rechtsverbindliche Zusicherung von Eigenschaften dar.
Die Belastungswerte sind in Anlehnung an die DIN 50141 rechnerisch ermittelt worden. Ob der Kugelsperrbolzen für die jeweilige Anwendung geeignet ist, muss jeder Anwender individuell ermitteln.
Unterschiedlichste Werkstoffe, an denen die Kugelsperrbolzen eingesetzt werden, Witterungsbedingungen, sowie Verschleiß können die ermittelten Werte beeinflussen.
Kugelsperrbolzen mit hoher Scherfestigkeit sind durch eine Kennzeichnungsrille am Bolzen markiert.
Vorteile:
Höhere Belastbarkeit im Vergleich zu den Standard-Kugelsperrbolzen.
Der Bolzen aus nichtrostendem Edelstahl 1.4542 ist gehärtet, weist eine hohe Scherfestigkeit auf und ist extrem belastbar.
Zubehör:
Aufnahmebuchsen für Kugelsperrbolzen K0724
Sicherungs-Spiralkabel K0367
Halteseile mit Öse K0367
Schlüsselring K0367
Technische Eigenschaften:
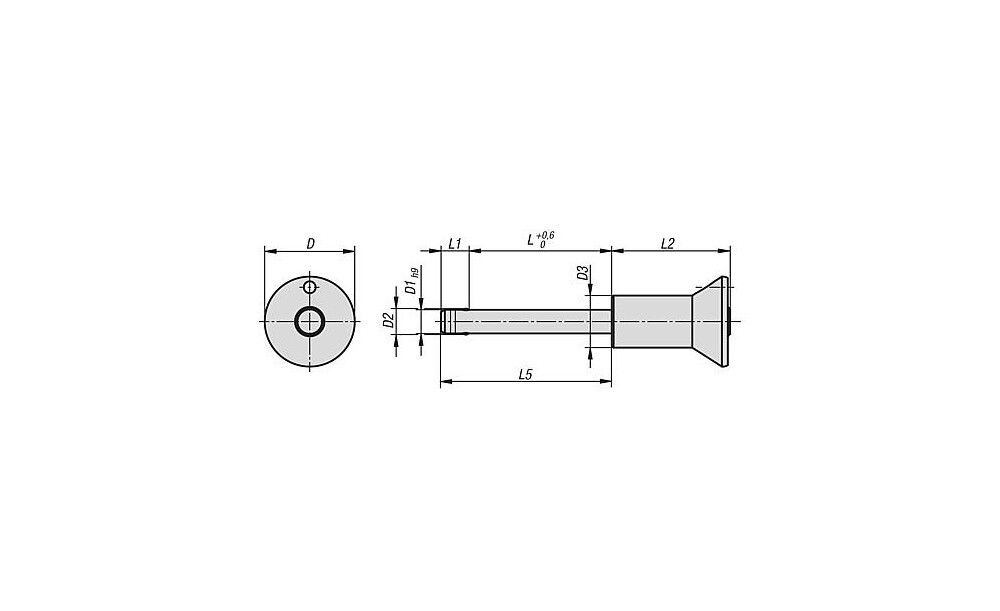
- Aufnahme- bohrung H11: 10
- Ausführung 1: mit Pilzgriff
- Ausführung 2: hohe Scherfestigkeit
- Benennung: Kugelsperrbolzen
- D: 25
- D1=Bolzendurchmesser: 10
- D2: 12
- D3: 14
- Gewicht in kg (ERP): 0.0732
- Kugelsperrbolzen Griff : gobasti rocaj majhen
- L=Länge: 40
- L1: 8,9
- L2: 33
- L5: 48,9
- Material Grundkörper: Edelstahl
- Material Komponente: Edelstahl
- Scherkraft zweischnittig max. kN: 100
- Stahlschlüssel Grundkörper: 1.4542
-
Preis inkl. MwSt.
-
Preis exkl. MwSt.
- zzgl. Versandkosten
- Taggleicher Standardversand bis 16 Uhr
- 99,92 % Lieferpräzision. Punktgenau. Verlässlich.
- Über 3 Mio Produkte
Technische Daten
- Gewicht50,76 kg
- EAN4059245323418
- Herstellerartikelnummer229945
- ProduktartKugelsperrbolzen
- Ausführungmit Pilzgriff, hohe Scherfestigkeit
- Gewicht pro1000
- Zolltarifnummer73182900
- Hersteller/MarkeKIPP
- GrößeD1=10, L=40
- ECLASS 14.021-02-07-01 (Spannelement, Schnellspanner)
Artikelgruppe: 480250
Alternativen zu KIPP Kugelsperrbolzen Mit Pilzgriff D1=10, 480K0791.12510040