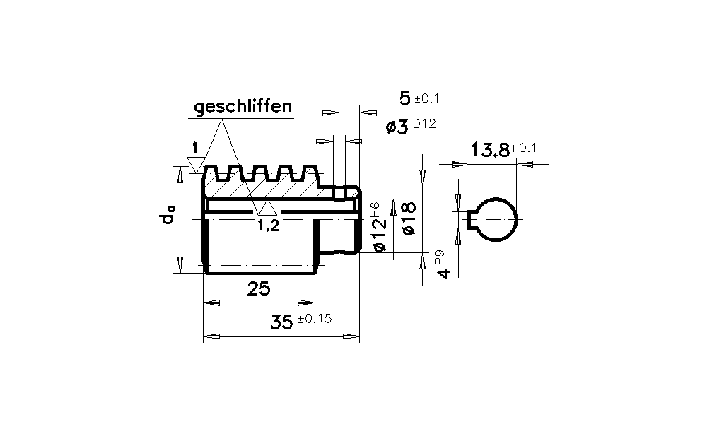
Präzisions-Schnecke Achsabstand 35 mm i = 5

Artikelnummer: 45532210500

Technische Eigenschaften:

  • da: 26,02 mm
  • Gangzahl: 5 Gangzahl
  • Gewicht: 62 g
  • Modul: 1,75 Modul
  • Steigungswinkel: 22°52 °
  • Übersetzung: 5 : 1 i
  • Wirkungsgrad: 0,70 Eta
  • Taggleicher Standardversand bis 16 Uhr
  • 99,92 % Lieferpräzision. Punktgenau. Verlässlich.
  • Über 3 Mio Produkte
Technische Daten
  • Gewicht62 g
  • Zolltarifnummer84839089
  • Hersteller/MarkeMÄDLER
  • Modul1.75
  • Gewicht pro1
  • Herstellerartikelnummer32210500
  • Übersetzungsverhältnis5 : 1
  • ECLASS 14.023-17-01-05 (Schneckenwelle)
Artikelgruppe: 455025