KEGELSCHMIERNIPPEL DIN71412, FORM:C ABGEWINKELT 90° M. 6-KANT, M06X1, L=18, STAHL GEHÄRTET UND VERZINKT
Artikelnummer: 480K1132.1306100
Werkstoff:
Stahl oder Edelstahl 1.4305.
Ausführung:
Stahl gehärtet min. 550 HV 1, verzinkt.
Edelstahl blank.
Hinweis:
Die Kegelschmiernippel sind mit einem kegeligen (konischen) Gewinde ausgestattet. Sie eignen sich für Schmierstellen, die oft und zuverlässig abgeschmiert werden müssen. Durch ihre vielseitigen Einsatzmöglichkeiten gehören sie zu den am weitesten verbreiteteten Schmiernippeltypen.
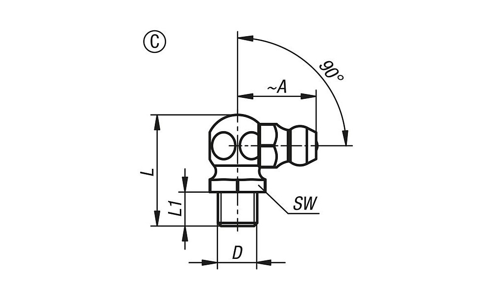
Technische Eigenschaften:
- A: 13
- Ausführung 1: abgewinkelt 90°
- Ausführung 2: Sechskant
- Benennung: Kegelschmiernippel
- D=Gewinde: M6X1
- DIN: DIN 71412
- Form: C
- Form-Typ: abgewinkelt 90° mit Sechskant
- Gewicht in kg (ERP): 0.0069
- L=Länge max.: 18
- L1=Gewindelänge: 5,5
- Material Grundkörper: Stahl
- Oberfläche Grundkörper: gehärtet und verzinkt
- SW: 9
Weitere Informationen:
REACH: Name of Material/Mixture: steel; Substance name: Lead; CAS No.: 7439-92-1; Worst case concentration in article: 0,3% |
-
Preis inkl. MwSt.
-
Preis exkl. MwSt.
- zzgl. Versandkosten
- Taggleicher Standardversand bis 16 Uhr
- 99,92 % Lieferpräzision. Punktgenau. Verlässlich.
- Über 3 Mio Produkte
Technische Daten
- EAN4059245260843
- Herstellerartikelnummer218519
- ProduktartKegelschmiernippel
- Zolltarifnummer84879059
- Hersteller/MarkeKIPP
- ECLASS 14.023-06-10-13 (Ölschmiervorrichtung)
Artikelgruppe: 480200