Schaftwerkzeuge

CoroCut® 1-2 QS Schaftwerkzeug zum Axialeinstechen
Artikelnummer: 520QS-RF123G14C2020E-130B
CoroCut® 1-2 QS Schaftwerkzeug zum Axialeinstechen

Technische Eigenschaften:

  • Adapterschnittstelle Maschinenrichtung(ADINTMS): Rectangular shank -metric: 20 x 20
  • Axialer Einstechdurchmesser, max.(DAXX): 160 mm
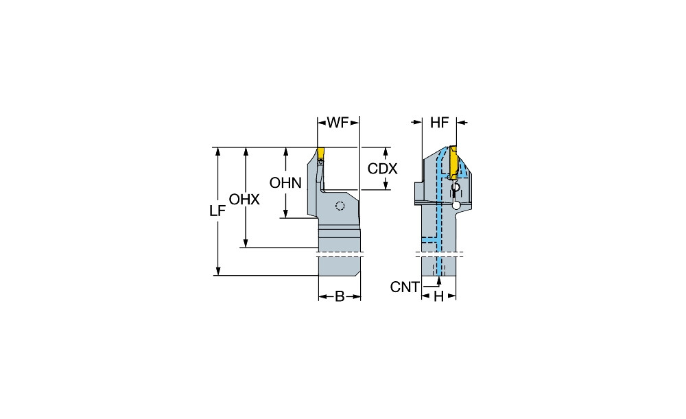
  • Axialer Einstechdurchmesser, min.(DAXIN): 130 mm
  • Funktionsbreite(WF): 20.5 mm
  • Funktionshöhe(HF): 20 mm
  • Funktionslänge(LF): 100.9 mm
  • HerstArtNr: QS-RF123G14C2020E-130B
  • Hersteller: SANDVIK COROMANT
  • IC Code: 14000
  • Kühlmitteldruck(CP): 150 bar
  • Kühlschmierstoffaustritt(CXSC): 3: axial inclined exit
  • Kühlschmierstoffeintritt(CNSC): 3: axial concentric and radial entry
  • Kühlschmierstoffeintritt, Gewindegröße(CNT): G 1/8-28
  • Lebenszyklusstatus(LCS): 20
  • Maximale Kraglänge(OHX): 51.9 mm
  • Minimale Kraglänge(OHN): 31.9 mm
  • Schaftbreite(B): 20 mm
  • Schafthöhe(H): 20 mm
  • Schneidrichtung(HAND): R
  • Schnitttiefe, max.(CDX): 14 mm
  • Teil 2 der Kennungen für die Schneidteil-Schnittstelle(CUTIN: CoroCut 2 -size G (N123G2-0300-0003-TF)
  • Adapterschnittstelle Maschinenrichtung ADINTM: Rectangular shank -metric: 20 x 20
  • Schnitttiefe max CD: 14 mm
  • Axialer Einstechdurchmesser min DAXI: 130 mm

Weitere Informationen:

REACH KONFORM

Andere Variante wählen
  • Preis inkl. MwSt.
  • Preis exkl. MwSt.
  • zzgl. Versandkosten
  • Ab Lager Lieferant lieferbar: 2-3 Kalendertage
    Verfügbare Menge: 7 Stück
  • Taggleicher Standardversand bis 16 Uhr
  • 99,92 % Lieferpräzision. Punktgenau. Verlässlich.
  • Über 3 Mio Produkte
Technische Daten
  • Gewicht275 g
  • Zolltarifnummer84661031
  • Hersteller/MarkeSANDVIK COROMANT
  • ProduktartSchaftwerkzeug
  • Gewicht pro1
  • HerstellerartikelnummerQS-RF123G14C2020E-130B
  • PT-Teilenummer26537461
  • ECLASS 14.021-18-10-91 (Klemmhalter und Werkzeugköpfe für auswechselbare Schneiden (Teile))
Artikelgruppe: 520480 U-Lock Halter u. Bohrst. Schäfte