NORELEM Flachgreifer aus Neodym

Artikelnummer: 48009069-28
NORELEM Flachgreifer aus Neodym
  • Taggleicher Standardversand bis 16 Uhr
  • Vorteilbox.Zahlung per Rechnung
  • Über 3 Mio Produkte
Technische Daten
  • Gewicht43 g
  • EAN4059495217741
  • Herstellerartikelnummer145614
  • ProduktartFlachgreifer
  • Gewicht pro1
  • Zolltarifnummer85051110
  • Hersteller/MarkeNORELEM
  • ECLASS 14.036-12-34-33 (Hebemagnetflachgreifer)
Artikelgruppe: 480300
Alternativen zu NORELEM Flachgreifer aus Neodym, 48009069-28
Preis exkl. MwSt.:
Art-Nr.: 480K0553.28
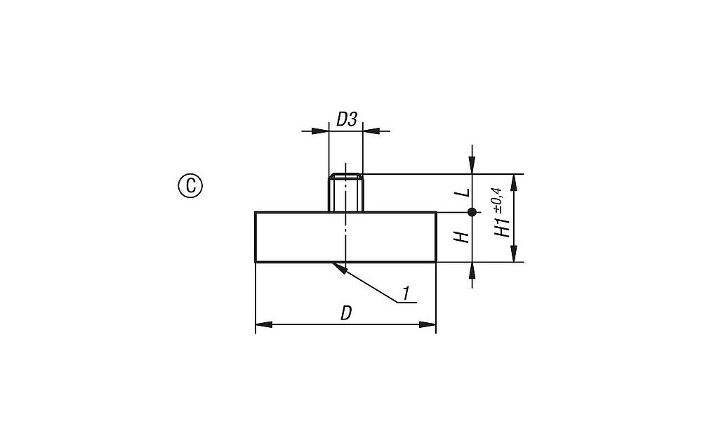
MAGNET FLACHGREIFER D3=M06X10, FORM:C, D=32 ±0,20, H=7, H1=17, NDFEB, RUND, KOMP:STAHL
MAGNET FLACHGREIFER D3=M06X10, FORM:C, D=32 ±0,20, H=7, H1=17, NDFEB, RUND, KOMP:STAHL
Größe: 32 ±0,20 // Ausführung: Gehäuse verzinkt // Produktart: Flachgreifer
Ab Lager Lieferant lieferbar: 3-4 Kalendertage
Verfügbare Menge: 244 Stück