MAGNET FLACHGREIFER H=6 SMCO, RUND, KOMP:EDELSTAHL, D1=4,5, D=20 ±0,15
Artikelnummer: 480K1399.120
Werkstoff:
Gehäuse Edelstahl 1.4104.
Magnetkern SmCo (Samarium-Cobalt).
Bestellbeispiel:
K1399.120
Hinweis:
Geschirmtes System.
Temperaturbereich:
max. 350 °C.
Montage:
Die Magnete können durch Einpressen, Einschrauben oder Einkleben montiert werden.
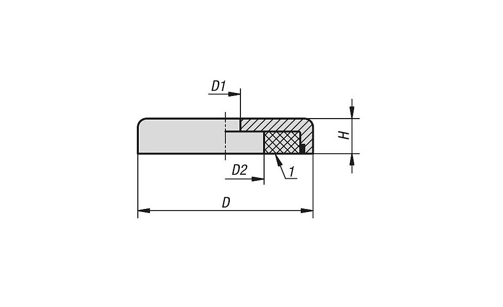
Zeichnungshinweis:
1) Haftfläche
Technische Eigenschaften:
- Ausführung 1: Flachgreifer
- Ausführung 2: rund
- Befestigungsart: Zylinderbohrung
- Benennung: Magnet
- D=Außendurchmesser: 20 ±0,15
- D1=Befestigungsbohrung: 4,5
- D2: 8
- Gewicht in kg (ERP): 0.0122
- H=Höhe: 6
- H1: 3,5
- Haftkraft N: 60
- Material Grundkörper: Smco
- Material Komponente: Edelstahl
- Oberfläche Komponente: blank
- Temperatur* max. °C: 350
-
Preis inkl. MwSt.
-
Preis exkl. MwSt.
- zzgl. Versandkosten
- Taggleicher Standardversand bis 16 Uhr
- Vorteilbox.Zahlung per Rechnung
- Über 3 Mio Produkte
Technische Daten
- Gewicht12,2 g
- EAN4059245336456
- Herstellerartikelnummer234195
- ProduktartMagnet Flachgreifer
- AusführungFlachgreifer
- ECLASS 14.036-12-34-33 (Hebemagnetflachgreifer)
- Gewicht pro1
- Zolltarifnummer85051110
- Hersteller/MarkeKIPP
- Größe20 ±0,15
- Setnein
Artikelgruppe: 480200