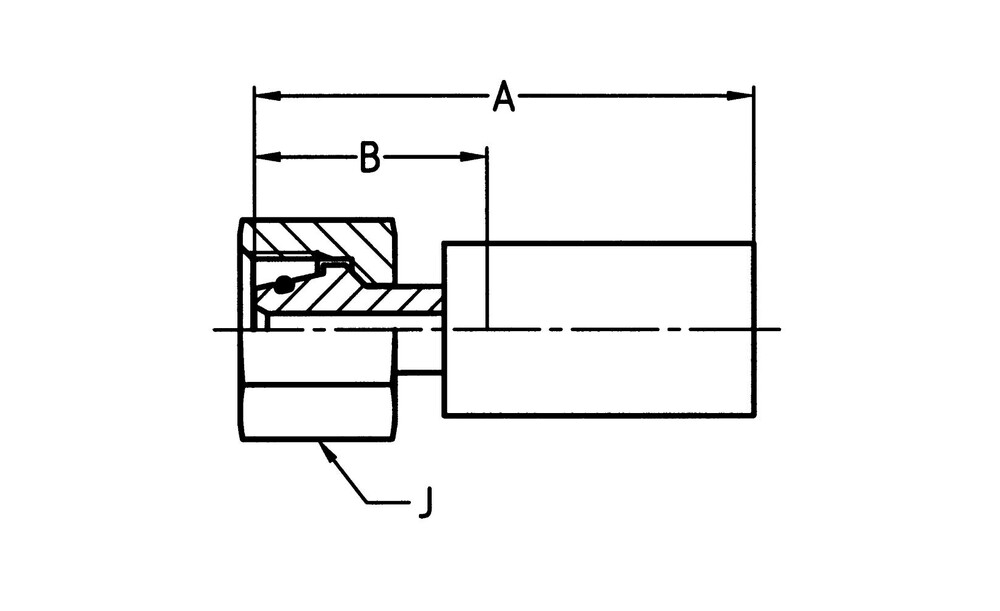
ST DKO-S 24° KON. M 16X1.5 UM PX 2561/PX 3961/555SA/5861
Artikelnummer: 8511C9YX-8-04
Technische Eigenschaften:
- Anschluss 2 Typ: Metric Female Swivel 24° with O-ring
- Maximaler Betriebsdruck (MPa): 63.0 MPa
- Schlauch I.D. (mm): 6.4 mm
-
Preis inkl. MwSt.
-
Preis exkl. MwSt.
- zzgl. Versandkosten
- Taggleicher Standardversand bis 16 Uhr
- 99,92 % Lieferpräzision. Punktgenau. Verlässlich.
- Über 3 Mio Produkte
Technische Daten
- Gewicht53,4 g
- Zolltarifnummer73079910
- Hersteller/MarkePARKER HANNIFIN
- Gewinde M16
- ECLASS 14.027-44-02-21 (Modul für Industriesteckverbinder (Fluid))
- Gewicht pro1
- Herstellerartikelnummer1C9YX-8-04
- ProduktartAnschluss
- Durchmesser6.4
Artikelgruppe: 851654