FEDERNDES DRUCKSTÜCK STANDARD FEDERKRAFT D=M06 L=15, EDELSTAHL, KOMP:KUGEL AUS EDELSTAHL
Artikelnummer: 480K0316.06
Werkstoff:
Hülse 1.4305.
Kugel 1.4034.
Feder 1.4310.
Ausführung:
blank. Kugel gehärtet.
Technische Eigenschaften:
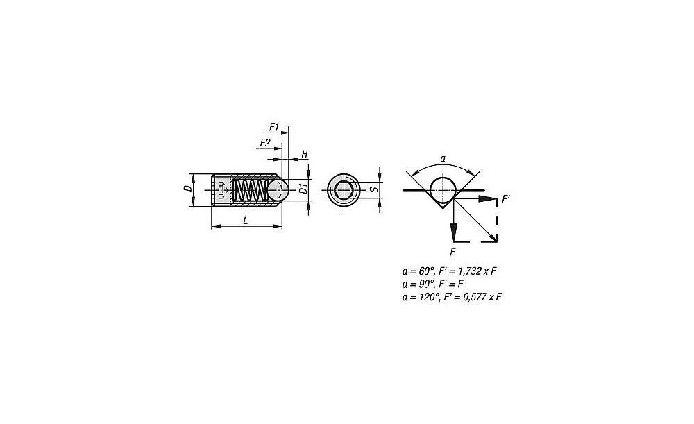
- Benennung: Federndes Druckstück
- D=Gewinde: M6
- D1: 3,5
- Federkraft: Standard
- Federkraft Anfang F1 ca. N: 9
- Federkraft Ende F2 ca. N: 13
- Form Druckstück: Kugel
- Gewicht in kg (ERP): 0.0017
- H: 1
- L=Länge: 15
- Material Druckstück: Edelstahl
- Material Grundkörper: Edelstahl
- Material Komponente: Kugel aus Edelstahl
- Mitnahmeprofil: Innensechskant
- S: 3
-
Preis inkl. MwSt.
-
Preis exkl. MwSt.
- zzgl. Versandkosten
- Taggleicher Standardversand bis 16 Uhr
- Vorteilbox.Zahlung per Rechnung
- Über 3 Mio Produkte
Technische Daten
- Gewicht200 g
- EAN4059245839100
- Herstellerartikelnummer104898
- WerkstoffEdelstahl
- Gewinde M6
- ECLASS 14.021-13-06-11 (Druckstück, federnd (Normalie, Werkzeugbau))
- Gewicht pro100
- Zolltarifnummer73181535
- Hersteller/MarkeKIPP
- Länge15
- Ausführungblank
Artikelgruppe: 480250
Alternativen zu KIPP federndes Druckstück M6 niro, 480K0316.06