Bearbeitungsart: Profildrehen

CoroTurn® XS Vollhartmetallwerkzeug zum Drehen
Artikelnummer: 520CXS-06TE98-15-6230L 1025
CoroTurn® XS Vollhartmetallwerkzeug zum Drehen

Technische Eigenschaften:

  • Alle ISO Anwendungsbereiche: P|M|N|S
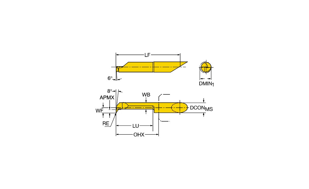
  • Aufnahmedurchmesser: 6 mm
  • Bohrungsdurchmesser min DMIN: 6.2 mm
  • Nutzlänge: 30 mm
  • Sortenempfehlung: P|M|N|S

Weitere Informationen:

REACH KONFORM

Andere Variante wählen
  • Preis inkl. MwSt.
  • Preis exkl. MwSt.
  • zzgl. Versandkosten
  • Ab Lager Lieferant lieferbar: 2-3 Kalendertage
    Verfügbare Menge: 205 Stück
  • Taggleicher Standardversand bis 16 Uhr
  • 99,92 % Lieferpräzision. Punktgenau. Verlässlich.
  • Über 3 Mio Produkte
Technische Daten
  • Gewicht20 g
  • Zolltarifnummer82090020
  • Hersteller/MarkeSANDVIK COROMANT
  • ProduktartVollhartmetallwerkzeug zum Drehen
  • Gewicht pro1
  • HerstellerartikelnummerCXS-06TE98-15-6230L1025
  • PT-Teilenummer11789050
  • ECLASS 14.021-18-11-02 (Gebogener Eckdrehmeißel)
Artikelgruppe: 520325 Drehwpl. f. Decolltagewerkz.