ARRETIERBOLZEN GR.3 D1=M16X1,5, D=8, FORM:D M.RASTNUT, M.KONTERMUTTER, EDELST...

Artikelnummer: 48003089-004308
Arretierbolzen werden eingesetzt, wenn eine Veränderung der Arretierstellung durch Querkräfte verhindert werden soll. Beispiele hierfür sind Längen- und Höhenarretierung sowie Positionsarretierung im Maschinen-, Geräte-, Möbel- und Sonderfahrzeugbau. Erst nach handbetätigter Ausrückung des Bolzens kann in eine andere Arretierstellung gefahren werden. Soll die Ausrückung über längere Zeit erfolgen und ein Zurückspringen des Arretierstiftes vermieden werden, so ist die Form C bzw. Form D zu verwenden. Die verwendeten Werkstoffe ermöglichen einen vielfältigen Einsatz bis hin zu Anwendungen mit höchsten Anforderungen an die Korossionsbeständigkeit. Werkstoff: Edelstahlausführung A2: Gewindehülse und Pilzgriff 1.4305. Arretierstift gehärtet 1.4034. Arretierstift nicht gehärtet 1.4305. Druckfeder 1.4310. Edelstahlausführung A4: Gewindehülse, Pilzgriff und Arretierstift 1.4404. Druckfeder 1.4401 oder 1.4571. Ausführung: Edelstahlausführung A2: Gewindehülse blank. Pilzgriff blank. Arretierstift gehärtet oder nicht gehärtet, geschliffen und blank. Edelstahlausführung A4: Gewindehülse blank. Pilzgriff blank oder gestrahlt. Arretierstift geschliffen, chemisch vernickelt oder blank. Auf Anfrage: Sonderausführungen. Zubehör: Distanzringe 03089

Technische Eigenschaften:

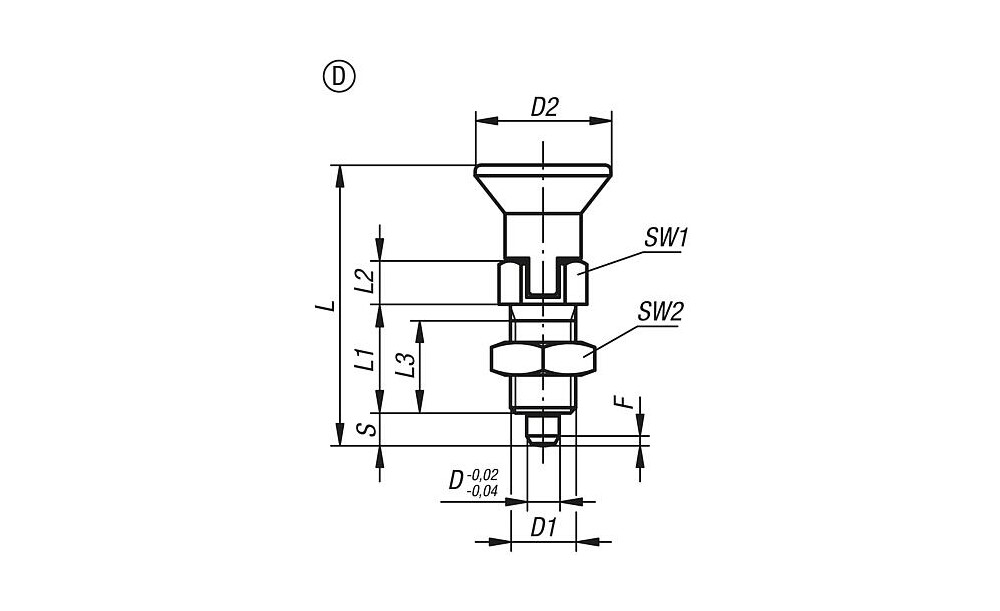
  • Ausführung 1: mit Rastnut
  • Benennung: Arretierbolzen
  • D=Bolzendurchmesser: 8
  • D1=Gewinde: M16x1,5
  • D2: 33
  • F x 30°: 2,3
  • Federkraft Anfang F1 ca. N: 15
  • Federkraft Ende F2 ca. N: 35
  • Form: D
  • Form-Typ: mit Rastnut, mit Kontermutter
  • Gewicht in kg (ERP): 0.1496
  • Größe: 3
  • Hub S: 8
  • Kontermutter: mit Kontermutter
  • L=Länge: 68
  • L1: 26
  • L2: 10
  • L3: 23
  • Material Grundkörper: Edelstahl
  • Material Komponente: Edelstahl
  • Oberfläche Grundkörper: gehärtet
  • Produkttyp: Standard
  • REACh: false
  • Stahlschlüssel Grundkörper: 1.4034
  • SW1: 19
  • SW2: 24
  • Ursprungs-Region: 08
  • Taggleicher Standardversand bis 16 Uhr
  • Vorteilbox.Zahlung per Rechnung
  • Über 3 Mio Produkte
Technische Daten
  • Gewicht150 g
  • EAN4059495020532
  • Herstellerartikelnummer03089-004308
  • ECLASS 14.021-13-08-92 (Befestigungselement (Normalie, Werkzeugbau, Zubehör))
  • Gewicht pro1
  • Zolltarifnummer73181900
  • Hersteller/MarkeNORELEM
Artikelgruppe: 480350
Alternativen zu NORELEM Arretierbolzen Gr. 3 Form D niro, 48003089-004308
Preis exkl. MwSt.:
Art-Nr.: 480K0632.004308
ARRETIERBOLZEN GR.3 D1=M16X1,5, D=8, FORM:D M.RASTNUT, M.KONTERMUTTER, EDELSTAHL 1.4034 GEHÄRTET,
ARRETIERBOLZEN GR.3 D1=M16X1,5, D=8, FORM:D M.RASTNUT, M.KONTERMUTTER, EDELSTAHL 1.4034 GEHÄRTET,
Höhe: 68 // Bolzendurchmesser: 8
Ab Lager Lieferant lieferbar: 3-4 Kalendertage
Verfügbare Menge: 7 Stück