ARRETIERBOLZEN OHNE RASTNUT GR.2 D1=M12X1,5, FORM:H STAHL, GEHÄRTET, KOMP:THE...

Artikelnummer: 48003094-2206
Werkstoff: Stahlausführung: Arretierstift gehärtet: Festigkeitsklasse 5.8. Edelstahlausführung: Arretierstift gehärtet: Gewindehülse 1.4305. Arretierstift 1.4034. Arretierstift nicht gehärtet: Gewindehülse 1.4305. Arretierstift 1.4305. Pilzgriff Thermoplast schwarzgrau. Ausführung: Stahlausführung: Arretierstift gehärtet, geschliffen und brüniert. Edelstahlausführung: Arretierstift gehärtet, geschliffen und blank. Arretierstift nicht gehärtet, geschliffen und blank. Hinweis: Arretierbolzen werden dort eingesetzt, wo eine Veränderung der Arretierstellung durch Querkräfte verhindert werden soll. Erst nach handbetätigter Ausrückung des Bolzens kann in eine andere Arretierstellung gefahren werden. Zum Einschrauben der Arretierbolzen kann eine Einschraubscheibe geliefert werden. Sie wird so unter den ausgerasteten Pilzgriff geschoben, dass die Mitnahmestifte in den Schlitz eingreifen. Auf Anfrage: Sonderausführungen. Zubehör: Distanzringe 03089

Technische Eigenschaften:

  • Ausführung 1: ohne Rastnut
  • Ausführung 2: gehärtet
  • Benennung: Arretierbolzen
  • Bestellnummer Einschraubscheibe: 03094-92
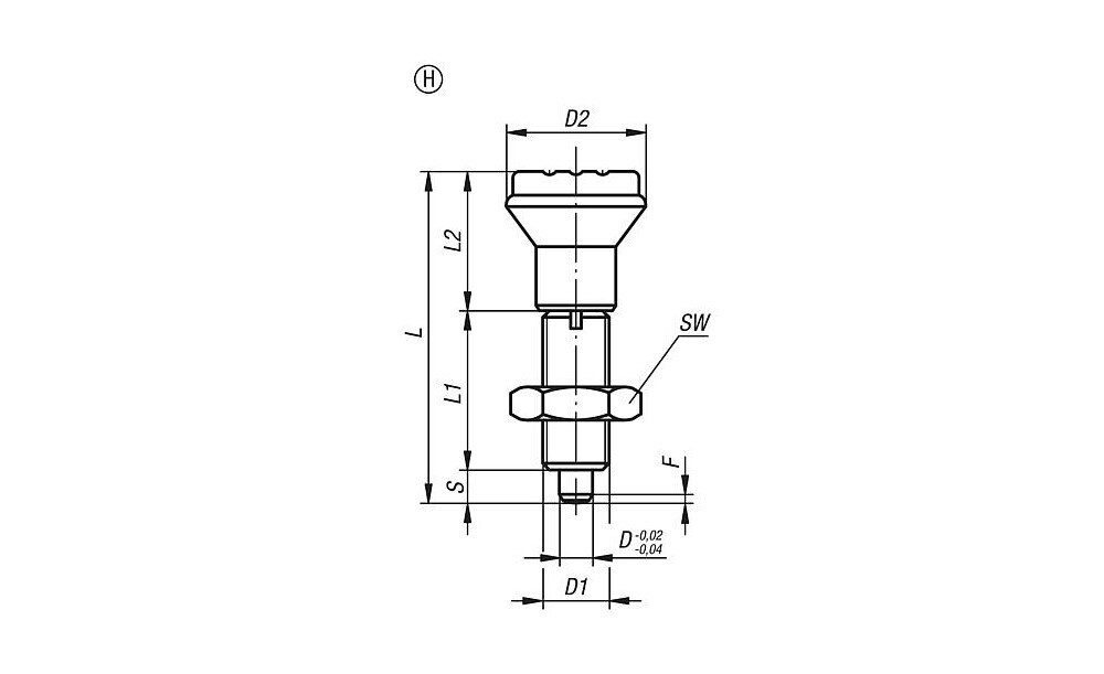
  • D=Bolzendurchmesser: 6
  • D1=Gewinde: M12x1,5
  • D2: 25
  • F x 30°: 1,8
  • Farbe Komponente: schwarzgrau RAL 7021
  • Federkraft Anfang F1 ca. N: 6
  • Federkraft Ende F2 ca. N: 14
  • Festigkeitsklasse: 5.8
  • Form: H
  • Gewicht in kg (ERP): 0.0324
  • Größe: 2
  • Hub S: 6
  • Kontermutter: mit Kontermutter
  • L=Länge: 56
  • L1: 28
  • L2: 22
  • Material Grundkörper: Stahl
  • Material Komponente: Thermoplast
  • Oberfläche Grundkörper: gehärtet
  • PL Edelstahl: false
  • Produkttyp: ohne Bund
  • SW: 19
  • Ursprungs-Region: 08
  • Taggleicher Standardversand bis 16 Uhr
  • Vorteilbox.Zahlung per Rechnung
  • Über 3 Mio Produkte
Technische Daten
  • Gewicht32 g
  • EAN4059495026466
  • Herstellerartikelnummer03094-2206
  • ECLASS 14.021-13-08-90 (Befestigungselement (Normalie, Werkzeugbau, nicht spezifiziert))
  • Gewicht pro1
  • Zolltarifnummer73181900
  • Hersteller/MarkeNORELEM
Artikelgruppe: 480300
Alternativen zu NORELEM Arretierbolzen Gr. 2 Form H, 48003094-2206
Preis exkl. MwSt.:16,03 
Art-Nr.: 480K0344.2206
ARRETIERBOLZEN OHNE RASTNUT GR.2 D1=M12X1,5, FORM:H STAHL, GEHÄRTET, KOMP:THERMOPLAST, SCHWARZGRAU RAL7021
ARRETIERBOLZEN OHNE RASTNUT GR.2 D1=M12X1,5, FORM:H STAHL, GEHÄRTET, KOMP:THERMOPLAST, SCHWARZGRAU RAL7021
Größe: 2 // Ausführung: ohne Rastnut // Produktart: Arretierbolzen // Set: nein
Ab Lager Lieferant lieferbar: 3-4 Kalendertage
Verfügbare Menge: 478 Stück