KIPP Federndes Druckstück K0316

Zu den Varianten

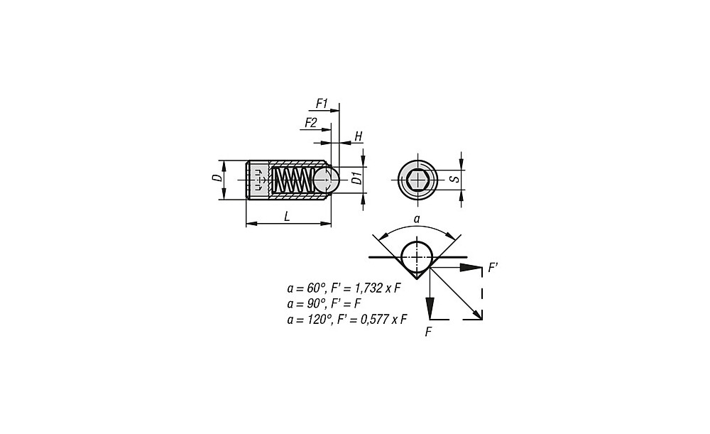
K0316 Federnde Druckstücke mit Innensechskant und Kugel, Edelstahl

Werkstoff:

Hülse 1.4305.

Kugel 1.4034.

Feder 1.4310.

Ausführung: blank. Kugel gehärtet.

Technische Daten
  • Zolltarifnummer73181535
  • WerkstoffEdelstahl
  • Hersteller/MarkeKIPP
  • Gewinde M8
Filter aktivieren
Produktvarianten (1–2 von 2)