METALLBALGKUPPLUNG MIT RADIALER KLEMMNABE GR.80, D1=15, D2=15, L=55, ALUMINIUM, KOMP:EDELSTAHL, D4=56

Artikelnummer: 480K1885.00800551515
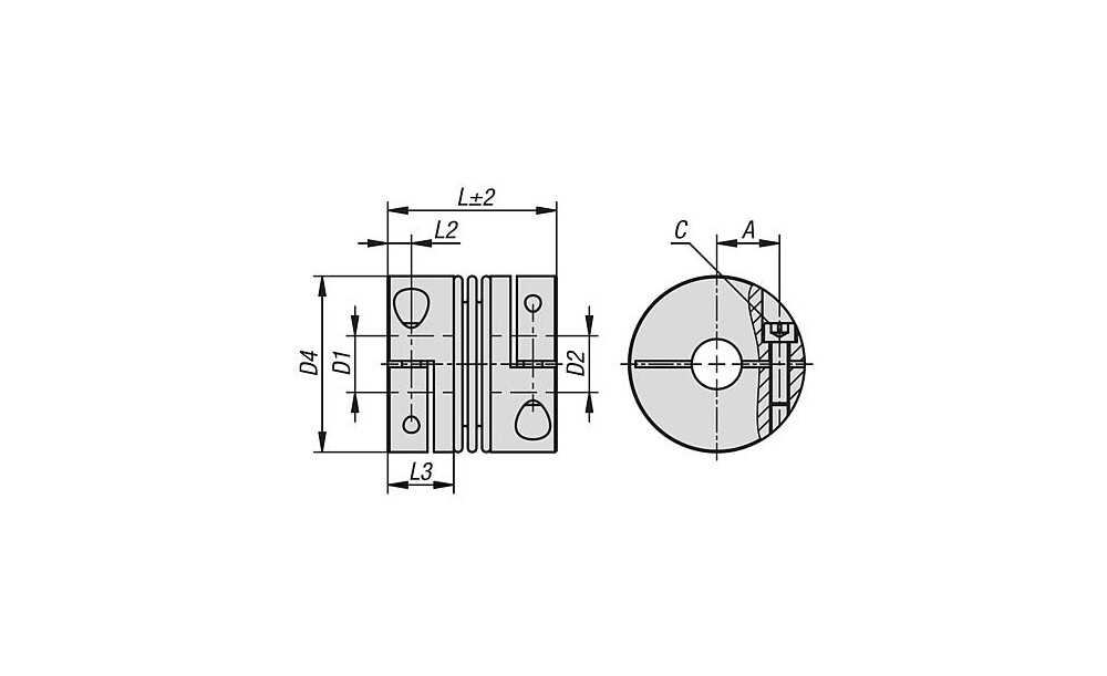
Werkstoff: Nabe Aluminium. Balg Edelstahl. Ausführung: Blank. Bestellbeispiel: K1885.00100351010 Hinweis: Metallbalgkupplungen mit hoher Verdrehsteifigkeit. Der Metallbalg gleicht axialen, radialen und winkeligen Wellenversatz bei geringen Rückstellkräften aus. Mit Klemmnaben zur Wellenbefestigung. Sie werden bevorzugt eingesetzt wenn eine präzise Positions- und Bewegungsübertragung erforderlich ist wie z.B. Servomotoren in Werkzeugmaschinen, Verpackungsmaschinen, Holzbearbeitungsmaschinen und in der Automatisierungstechnik. Die Größe 200 besitzt entgegen der Zeichnung, nur einen 2-Wellen-Metallbalg. Temperaturbereich: -30 °C bis +120 °C. Montage: Die Metallbalgkupplungen haben eine H7 Passung. Das empfohlene Passungsspiel beträgt 0,02 mm - 0,05 mm. Dieses Passungsspiel und das Einölen der Wellenzapfen erleichtern die Montage und Demontage. Der Metallbalg darf bei der Montage und Demontage max. 3-fach über die im Katalog angegebenen zulässigen Verlagerungswerte verformt werden. Vermeiden Sie jegliche Kraftanwendung. Auf Anfrage: Gewünschte Nabenbohrungen D1 und D2 separat mit Toleranzklasse oder -feld. Passfedernut nach DIN 6885. Größtmögliche Bohrung bei Passfedernut bitte beachten.

Technische Eigenschaften:

  • A: 20
  • Anziehdreh- moment der Schrauben Nm: 15
  • Ausführung 1: mit radialer Klemmnabe
  • Benennung: Metallbalgkupplung
  • C (ISO 4029): M6
  • D1 (H7): 15
  • D1/D2 max.: 32
  • D1/D2 min.: 12
  • D1/D2 max. bei Passfedernut: 30
  • D2 (H7): 15
  • D4: 56
  • Federsteifigkeit axial (N/mm): 165
  • Federsteifigkeit radial (N/mm): 6436
  • Gewicht in kg (ERP): 0.3050
  • Größe: 80
  • L=Länge: 55
  • L2: 7,3
  • L3: 21
  • Material Grundkörper: Aluminium
  • Material Komponente: Edelstahl
  • max. Drehzahl 1/min: 10300
  • max. Winkelversatz (°): 0,5
  • max. Wellenversatz axial (mm): 0,5
  • max. Wellenversatz radial (mm): 0,05
  • Nennmoment Nm: 80
  • Torsionssteife (10³ Nm/rad): 53
  • Trägheitsmoment (gm²): 0,14
  • Preis inkl. MwSt.
  • Preis exkl. MwSt.
  • zzgl. Versandkosten
  • Ab Lager Lieferant lieferbar: 3-4 Kalendertage
    Verfügbare Menge: 1 Stück
  • Taggleicher Standardversand bis 16 Uhr
  • 99,92 % Lieferpräzision. Punktgenau. Verlässlich.
  • Über 3 Mio Produkte
Technische Daten
  • Gewicht305 kg
  • EAN4059245675890
  • Herstellerartikelnummer287152
  • Bohrung15
  • ECLASS 14.023-03-10-05 (Ganzmetallkupplung (biegenachgiebig))
  • Gewicht pro1000
  • Zolltarifnummer84836080
  • Hersteller/MarkeKIPP
  • MaterialAluminium
Artikelgruppe: 480200
Alternativen zu KIPP Metallbalgkupplung Mit Radialer, 480K1885.00800551515
Preis exkl. MwSt.:
Art-Nr.: 48023001-04-00800551515
METALLBALGKUPPLUNG MIT RADIALER KLEMMNABE GR.80, D1=15, D2=15, L=55, ALUMINIU...
METALLBALGKUPPLUNG MIT RADIALER KLEMMNABE GR.80, D1=15, D2=15, L=55, ALUMINIU...
Typ: Metallbalgkupplung // Material: Aluminium // Bohrung: 15
...