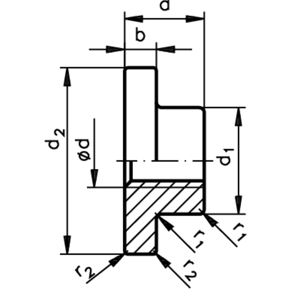
Flanschmutter m.Trapezgewinde DIN 103 Tr.30 x 6 rechts

Flanschmutter m.Trapezgewinde DIN 103 Tr.30 x 6 rechts
Artikelnummer: 45564403000
Flanschmutter m.Trapezgewinde DIN 103 Tr.30 x 6 rechts
  • Preis inkl. MwSt.<span class="pricecomponent" ><span class="price" itemprop="price" content="54.43">54,43</span>&nbsp;<span class="currency" itemprop="priceCurrency" content="EUR">€</span></span>
  • Preis exkl. MwSt.45,74 
  • Preis exkl. MwSt.45,74 
Technische Daten
  • Gewicht1,02 kg
  • Zolltarifnummer73181640
  • Hersteller/MarkeMÄDLER
  • Gewindedurchmesser metrischTR 30
  • Gewinderichtungrechts
  • Gewicht pro1
  • Herstellerartikelnummer64403000
  • ProduktartFlanschmutter
  • Steigung6
  • ECLASS 14.023-30-07-92 (Trapezgewindetrieb (Zubehör))