KIPP Lenkrolle Ohne Feststellsystem

LENKROLLE OHNE FESTSTELLSYSTEM THERMOPLAST, ELEKTRISCH LEITFÄHIG, KOMP:STAHL, D=100, B=32
Artikelnummer: 480K1760.1110032
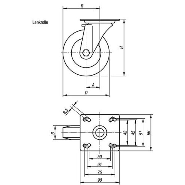
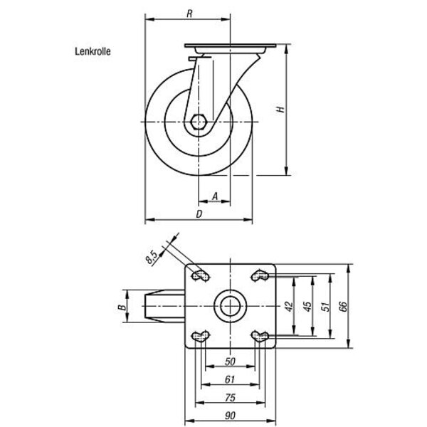
Werkstoff: Gehäuse aus Stahlblech. Räder mit thermoplastischem Gummi-Laufbelag. Radkörper aus Polypropylen. Ausführung: Gehäuse gepresst. Lenkrollengehäuse mit 2-facher Kugellagerung im Drehkranz. Räder mit Gleitlager. Hinweis: Radachse verschraubt. Lenkrollen mit Anschraubplatte. Räder in elektrisch leitfähiger Ausführung, spurlos grau. Der ohmsche Wiederstand des Rades liegt bei = 104O. Anwendung: Zum Schutz vor elektrostatischer Entladung, die durch Transportgeräte oder das Transportgut erzeugt werden kann, kommen elektrisch leitfähige Räder, Lenk- und Bockrollen zum Einsatz. So können Beschädigungen von sensiblem Transportgut oder auch eine schmerzhafte elektrostatische Entladung beim Benutzer eines Wagens verhindert werden. Temperaturbereich: -20 °C bis +60 °C.

Technische Eigenschaften:

  • A: 40
  • Ausführung 1: ohne Feststellsystem
  • Ausführung 2: elektrisch leitfähig
  • B=Rollenbreite: 32
  • Befestigungsart: Anschraubplatte
  • Benennung: Lenkrolle
  • D=Rollendurchmesser: 100
  • Gewicht in kg (ERP): 0.6342
  • H=Gesamthöhe: 136
  • Material Grundkörper: Thermoplast
  • Material Komponente: Stahl
  • R: 90
  • Radlagerung: Gleitlager
  • Tragfähigkeit kg: 70
  • Preis inkl. MwSt.<span class="pricecomponent" ><span class="price" itemprop="price" content="48.74">48,74</span>&nbsp;<span class="currency" itemprop="priceCurrency" content="EUR">€</span></span>
  • Preis exkl. MwSt.40,96 
  • Preis exkl. MwSt.40,96 
Technische Daten
  • Gewicht634,18 kg
  • EAN4059245594573
  • Herstellerartikelnummer218959
  • ProduktartLenkrolle
  • Gewicht pro1000
  • Zolltarifnummer83022000
  • Hersteller/MarkeKIPP
  • ECLASS 14.023-37-02-01 (Lenkrolle)