SNR Stehlagereinheit

SNR Stehlagereinheit
Artikelnummer: 253EXPLE20824
SNR Stehlagereinheit
  • Preis inkl. MwSt.<span class="pricecomponent" ><span class="price" itemprop="price" content="52.75">52,75</span>&nbsp;<span class="currency" itemprop="priceCurrency" content="EUR">€</span></span>
  • Preis exkl. MwSt.44,33 
  • Preis exkl. MwSt.44,33 
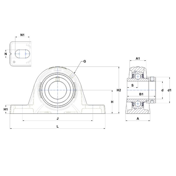
Technische Daten
  • Gewicht2,1850 kg
  • EAN3413520611217
  • HerstellerartikelnummerEXPLE208-24
  • ECLASS 14.023-05-16-01 (Stehlagergehäuseeinheit)
  • Gewicht pro1
  • Zolltarifnummer84832000
  • Hersteller/MarkeSNR