NORELEM Spannhebel Gr. 4, M24X70, 0°

SPANNHEBEL GR.4 M24X70, A=134, FORM:0°, STAHL KUNSTSTOFFBESCHICHTET, KOMP:KUN...
Artikelnummer: 48006380-4242X70
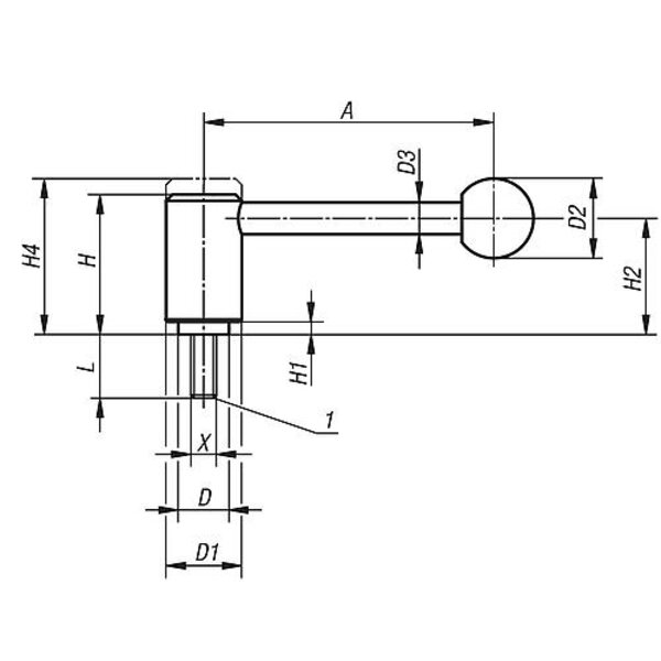
Werkstoff: Stahlteile Festigkeitsklasse 5.8. Kunststoffkugelknopf schwarz. Ausführung: kunststoffbeschichtet mit Feinstruktur, schwarz. Auf Anfrage: Weitere Außengewinde, Schraubenlängen und Sonderausführungen. Maße "H1" und "A" auf Wunsch in anderen Längen gegen Aufpreis lieferbar. Zeichnungshinweis: 1) Kegelkuppe DIN EN ISO 4753

Technische Eigenschaften:

  • A=Grifflänge: 134
  • Befestigungsart: Außengewinde
  • Benennung: Spannhebel
  • D: 30
  • D1: 41
  • D2: 32
  • D3: 13
  • Festigkeitsklasse: 5.8
  • Form:
  • Form-Typ:
  • Gewicht in kg (ERP): 0.9676
  • Größe: 4
  • H: 68,5
  • H1: 7,5
  • H2: 56,5
  • H4: 76,5
  • L=Gewindelänge: 70
  • Material Grundkörper: Stahl
  • Material Komponente: Kunststoff
  • Oberfläche Grundkörper: kunststoffbeschichtet
  • Ursprungs-Region: 08
  • X=Gewinde: M24
  • Zähnezahl : 36
  • Preis inkl. MwSt.<span class="pricecomponent" ><span class="price" itemprop="price" content="50.88">50,88</span>&nbsp;<span class="currency" itemprop="priceCurrency" content="EUR">€</span></span>
  • Preis exkl. MwSt.42,76 
  • Preis exkl. MwSt.42,76 
Technische Daten
  • Gewicht968 g
  • EAN4059495093239
  • Herstellerartikelnummer06380-4242X70
  • ECLASS 14.021-02-07-91 (Spannelement, Schnellspanner (für Werkstück, Teile))
  • Gewicht pro1
  • Zolltarifnummer73181595
  • Hersteller/MarkeNORELEM