NORELEM Kreuztisch Alu lang, 174,5x46x18, Form C

KREUZTISCH LANGE AUSFÜHRUNG, MIT POSITIONSANZEIGER 174,5X46X18, FORM:C, ALUMI...
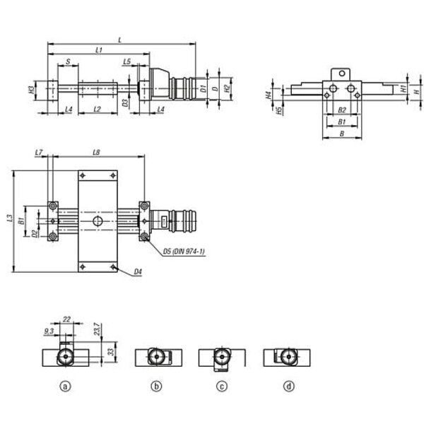
Artikelnummer: 48021136-308
Werkstoff: Lagerbock und Schlitten Aluminium-Legierung, eloxiert. Führungssäulen Edelstahl, geschliffen. Spindel Edelstahl, gerolltes Gewinde. Führung Gleitlager, wartungsfrei. Positionsanzeiger Kunststoff. Ausführung: Radialspiel der Führung kleiner 0,02 mm. Axialspiel spielfrei. Spindel selbsthemmend, zusätzlich klemmbar. Hinweis: Durch die nahezu spielfreien Führungen und die absolut spielfreie Spindel, ist zum Verstellen kein Lösen und Klemmen der Spindel erforderlich. Digitaler Positionsanzeiger mit 0,1 mm Anzeigegenauigkeit, Zahlen aufsteigend bei Rechtsdrehung. Der Anzeigewert des Positionsanzeigers kann durch Drehen des Mitnehmerrings werkzeuglos eingestellt werden. Die Einbaulage des Positionsanzeigers kann mittels einer Schraube in 4 Stellungen fixiert werden. Der Kreuztisch kann im Baukastenprinzip in seiner jeweiligen Baugröße unkompliziert mit Positioniertischen, Hubtischen und weiterem Zubehör kombiniert werden. Zeichnungshinweis: Einbaulage des Positionsanzeigers: a) oben (Standard) b) rechts c) unten d) links

Technische Eigenschaften:

  • Ausführung 1: lange Ausführung
  • Ausführung 2: mit Positionsanzeiger
  • B=Breite: 46
  • B1: 36
  • B2: 21
  • Benennung: Kreuztisch
  • D: 26
  • D1: 23
  • D2: M6x1
  • D3: 8
  • D4: M4
  • D5: 4
  • F1 N: 200
  • F2 N : 200
  • F3 N: 200
  • Form: C
  • Gewicht in kg (ERP): 0.4948
  • H=Höhe: 18
  • H1: 14
  • H2: 27
  • H3: 23
  • H4: 14
  • H5: 6
  • Hub S: 48
  • L=Länge: 174,5
  • L1: 120
  • L2: 46
  • L3: 120
  • L4: 12
  • L5: 2
  • L7: 6
  • L8: 108
  • Material Grundkörper: Aluminium
  • Mx Nm: 3,6
  • My Nm: 3,6
  • Mz Nm: 3,6
  • PL Edelstahl: false
  • REACh: false
  • Ursprungs-Region: 09
  • Preis inkl. MwSt.<span class="pricecomponent" ><span class="price" itemprop="price" content="533.37">533,37</span>&nbsp;<span class="currency" itemprop="priceCurrency" content="EUR">€</span></span>
  • Preis exkl. MwSt.448,21 
  • Preis exkl. MwSt.448,21 
Technische Daten
  • Gewicht495 g
  • EAN4059495344584
  • Hersteller/MarkeNORELEM
  • Länge174.5
  • Höhe18
  • Gewicht pro1
  • Zolltarifnummer84798997
  • ProduktartKreuztisch
  • Breite46
  • ECLASS 14.021-10-02-91 (Tisch, Werkbank (Betriebsausstattung, Teile))