KIPP Auslöser Mit Schloss Form:A Montage

AUSLÖSER MIT SCHLOSS, FORM:A MONTAGE HINTEN, ZINK SCHWARZ PULVERBESCHICHTET, KOMP:ZINK SILBER PULVERBESCHICHTET
Artikelnummer: 480K1481.2111114512
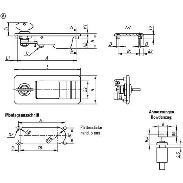
Werkstoff: Griff und Gehäuse Zinkdruckguss. Ausführung: Griff und Gehäuse schwarz oder silber pulverbeschichtet. Bestellbeispiel: K1481.2111114511 Hinweis: Durch Betätigung des Griffes, werden Klappen, Deckel, Hauben oder Türen fernbedient und unsichtbar mittels Bowdenzug geöffnet. Die abschließbaren Auslöser werden jeweils mit 2 Schlüsseln geliefert. Der Schlüssel kann in beiden Stellungen (offen und geschlossen) abgezogen werden. Die Schließung ist gleichschließend d.h. jedes Schloss kann mit demselben Schlüssel geöffnet werden. Der Bowdenzug ist im Lieferumfang nicht enthalten. Anwendung: Die Auslöser werden eingesetzt, wenn unzugängliche Bauräume eine Bedienung erschweren oder aus Ergonomie- und Sicherheitsaspekten eine distanzierte Betätigung erforderlich ist. Montage: Form A: Rückseite. Form B: Vorderseite. Vorteile: Betätigung bei unzugänglichen Einbauräumen möglich. Ergonomieoptimierte Betätigungsposition realisierbar. Betätigung möglich auch wenn Sicherheitsabstände gefordert sind. Zubehör: Bowdenzug K1646 Zeichnungshinweis: 1) Anbindung Bowdenzug

Technische Eigenschaften:

  • A=Bohrungsabstand: 99
  • Ausführung 1: mit Schloss
  • B=Breite: 47,9
  • B1: 36
  • B2: 30,1
  • B3: 6
  • Benennung: Auslöser
  • D=Bohrungsdurchmesser: 2,65
  • D1: 6
  • Farbe Grundkörper: schwarz
  • Farbe Komponente: silber
  • Form: A
  • Gewicht in kg (ERP): 0.2187
  • H=Höhe: 25,5
  • H1: 4,4
  • H2: 5
  • L=Länge: 110,9
  • L1: 6
  • L2: 7,4
  • Material Grundkörper: Zink
  • Material Komponente: Zink
  • Montage: Montage hinten
  • Oberfläche Grundkörper: pulverbeschichtet
  • Oberfläche Komponente: pulverbeschichtet
  • Preis inkl. MwSt.<span class="pricecomponent" ><span class="price" itemprop="price" content="45.22">45,22</span>&nbsp;<span class="currency" itemprop="priceCurrency" content="EUR">€</span></span>
  • Preis exkl. MwSt.38,00 
  • Preis exkl. MwSt.38,00 
Technische Daten
  • Gewicht218,65 kg
  • EAN4059245507146
  • Herstellerartikelnummer251561
  • ProduktartAuslöser
  • Setnein
  • Gewicht pro1000
  • Zolltarifnummer83014090
  • Hersteller/MarkeKIPP
  • Ausführungmit Schloss
  • ECLASS 14.027-40-06-37 (Schnellverschluss für Gehäuseabdeckungen)