KIPP Drehriegel im Hygienic Design mit Vierkant, SW=13

DREHRIEGEL D=30 EDELSTAHL 1.4404, KOMP:SILIKON, BLAU, SW=13
Artikelnummer: 480K1354.18
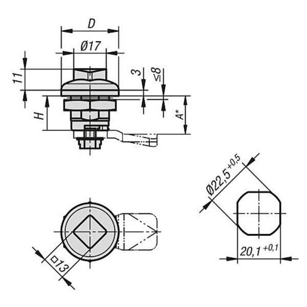
Werkstoff: Gehäuse und Betätigung: 1.4404. Erdungsmutter und Sperrzahnschraube: 1.4301. Dichtung: Silikon blau, FDA konform. Ausführung: blank. Bestellbeispiel: Drehriegel K1354.18 Zunge K1340.45060 Hinweis: Der Hygiene-Edelstahl-Drehriegel schließt Keimbefall aus und erfüllt die strengen Vorgaben der Prüfgrundsätze für Nahrungsmittelmaschinen und Hygiene. Die durchdacht geometrische Form, die spiegelpolierten Edelstahl-Oberflächen und die zentrisch umlaufende Dichtung beugen zuverlässig der Schmutzablagerung vor. Wasser, Reinigungsmittel etc. können hier vollständig ablaufen und verhindern so eine Kontamination.  Gerade in Prozessen, in welchen die Beständigkeit der Dichtung gegen Reinigungs- und Desinfektionsmittel sehr wichtig ist, sind optimierte Schaltschränke, Klemmkästen und Bediengehäuse an Fertigungsanlagen ein Muss. Gezielt nach den Grundsätzen des Hygienic DESIGN konstruiert, erfüllt der Hygiene-Drehriegel HD die strengen Auflagen der Nahrungsmittel verarbeitenden Industrie und passt damit optimal in Ihre professionellen Hygieneanwendungen.  Die spezielle Abdichtung ist für eine Hochdruckstrahlreinigung bis max. 100 bar ausgelegt und erfüllt die IP65/67. Zudem ist die Dichtung bis 80 °C temperaturstabil und durch die Blaufärbung entspricht sie den Vorgaben der FDA (verhindert zuverlässig eine Verwechslung mit Lebensmitteln). Zunge in der gewünschten Ausführung bitte separat bestellen. Jede Zunge ist mit jedem Gehäuse kombinierbar. *Das Maß A ergibt sich aus der Kombination von Drehriegel und Zunge und wird bei den passenden Zungen angezeigt. Zubehör: Steckschlüssel K1335.113 Ring-/ Maulschlüssel K1362.16 Schonaufsatz K1362.1613 Zunge für Drehriegel Edelstahl K1340.

Technische Eigenschaften:

  • Benennung: Drehriegel
  • Betätigung: Vierkant
  • D=Durchmesser: 30
  • Farbe Komponente: blau
  • Gewicht in kg (ERP): 0.0869
  • H=Höhe: 18
  • Material Grundkörper: Edelstahl
  • Material Komponente: Silikon
  • Stahlschlüssel Grundkörper: 1.4404
  • SW=Schlüsselweite: 13
  • Preis inkl. MwSt.<span class="pricecomponent" ><span class="price" itemprop="price" content="58.38">58,38</span>&nbsp;<span class="currency" itemprop="priceCurrency" content="EUR">€</span></span>
  • Preis exkl. MwSt.49,06 
  • Preis exkl. MwSt.49,06 
Technische Daten
  • Gewicht86,87 kg
  • EAN4059245329519
  • Herstellerartikelnummer231579
  • ProduktartDrehriegel
  • Gewicht pro1000
  • Zolltarifnummer83014090
  • Hersteller/MarkeKIPP
  • ECLASS 14.027-40-06-37 (Schnellverschluss für Gehäuseabdeckungen)