265330 SCHUNK, Typ SFA
Drehfutterbacken-Satz SCHUNK, Typ SFA
Artikelnummer: 720265330 400/7
Ausführung:
- mit Kreuzversatz
- Stahl 16 MnCr 5
- einsatzhärtbar
Lieferung:
Satz à 3 Stück.
- mit Kreuzversatz
- Stahl 16 MnCr 5
- einsatzhärtbar
Lieferung:
Satz à 3 Stück.
Technische Eigenschaften:
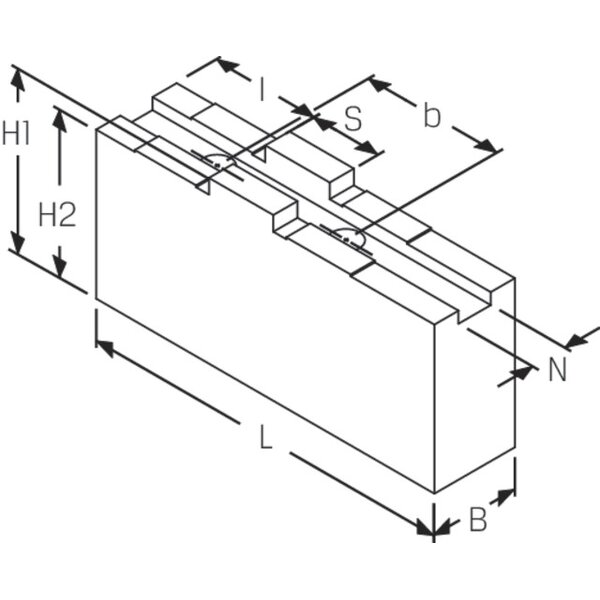
- Backenbreite mm: 96
- Backenlänge mm: 115
- Gesamtgewicht kg: 25.9
- H1 mm: 115
- H2 mm: 108
- Marke: SCHUNK
- N mm: 18
- Precitool-Teilenummer: 1862177
- Spannfutter: ROTA-G 500 | ROTA-S 400-500 | ROTA-S plus 400-500 | ROTA THW 500-630-800 | ROTA THWB 400-500 | THW 500-R/F | THW 630-R
- Preis inkl. MwSt.<span class="pricecomponent" ><span class="price" itemprop="price" content="479.67">479,67</span> <span class="currency" itemprop="priceCurrency" content="EUR">€</span></span>
- <span class="pricecomponent" ><span class="price" itemprop="price" content="479.6652">479,67</span> <span class="currency" itemprop="priceCurrency" content="EUR">€</span></span> / 1 Satz
- Preis exkl. MwSt.403,08 €
- Preis exkl. MwSt.403,08 €
Technische Daten
- Gewicht8,42 kg
- Zolltarifnummer84662098
- Hersteller/MarkeSCHUNK
- ProduktartDrehfutterbacken-Satz
- Setja
- Gewicht pro1
- Herstellerartikelnummer0154135
- PT-Teilenummer1862177
- Ausführungmit Kreuzversatz, Stahl 16 MnCr 5, einsatzhärtbar
- ECLASS 14.036-60-11-29 (Drehbankspitze, Dorn, Futter (Werkzeugmaschine))