KIPP Spanneisen Verstellbar 50X16X10

SPANNEISEN VERSTELLBAR 50X16X10 VERGÜTUNGSSTAHL
Artikelnummer: 480K1948.06
Werkstoff: Vergütungsstahl 1.1191. Ausführung: brüniert. Bestellbeispiel: K1948.10 Hinweis: Beim Einsatz von Kegelpfannen K0729 ist die Form G zu verwenden.

Technische Eigenschaften:

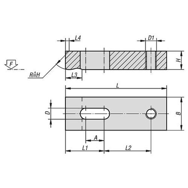
  • A: 12
  • Ausführung 1: verstellbar
  • B=Breite: 16
  • Benennung: Spanneisen
  • D: 7
  • D1: M6
  • F kN: 4,82
  • Gewicht in kg (ERP): 0.0495
  • H=Höhe: 10
  • L=Länge: 50
  • L1: 22
  • L2: 23
  • L3: 10
  • L4: 1,6
  • Material Grundkörper: Vergütungsstahl
  • Preis inkl. MwSt.<span class="pricecomponent" ><span class="price" itemprop="price" content="23.93">23,93</span>&nbsp;<span class="currency" itemprop="priceCurrency" content="EUR">€</span></span>
  • Preis exkl. MwSt.20,11 
  • Preis exkl. MwSt.20,11 
Technische Daten
  • Gewicht49,50 kg
  • EAN4059245697441
  • Herstellerartikelnummer109760
  • ProduktartSpanneisen
  • Ausführungbrüniert
  • Gewicht pro1000
  • Zolltarifnummer84662020
  • Hersteller/MarkeKIPP
  • Größe50X16X10
  • ECLASS 14.021-02-07-01 (Spannelement, Schnellspanner)