KIPP Kugelsperrbolzen Mit T-Griff D1=12

KUGELSPERRBOLZEN MIT T-GRIFF, D1=12, L=50, L1=9,9, L5=59,9, EDELSTAHL 1.4542, HOHE SCHERFESTIGKEIT,
Artikelnummer: 480K0792.218212050
Werkstoff: Griff Thermoplast. Druckknopf 1.4305. Bolzen Edelstahl 1.4542 Kugeln Edelstahl 1.4125. Druckfeder Edelstahl 1.4310. Ausführung: Griff schwarz oder verkehrsrot RAL 3020. Edelstahl blank. Bestellbeispiel: K0792.214606050 (Länge L mit angeben, z.B. 050 für L = 50 mm) Hinweis: Kugelsperrbolzen dienen zum schnellen und einfachen Fixieren und Verbinden von Bauteilen. Durch Drücken des Druckknopfes können die beiden Kugeln entriegelt und somit die zu verbindenden Teile abgesteckt werden. Wird der Druckknopf losgelassen, verriegeln die Kugeln die Verbindung sicher. Scherkraft zweischnittig (F) = S · t aB max. Bei den Angaben zur Scherkraft handelt es sich um die theoretische Bruchlast. Es sind unverbindliche Richtwerte ohne Berücksichtigung von Sicherheitsfaktoren und unter Ausschluss jeglicher Haftung. Die angegebenen Werte dienen ausschließlich der Information und stellen keine rechtsverbindliche Zusicherung von Eigenschaften dar. Die Belastungswerte sind in Anlehnung an die DIN 50141 rechnerisch ermittelt worden. Ob der Kugelsperrbolzen für die jeweilige Anwendung geeignet ist, muss jeder Anwender individuell ermitteln. Unterschiedlichste Werkstoffe, an denen die Kugelsperrbolzen eingesetzt werden, Witterungsbedingungen, sowie Verschleiß können die ermittelten Werte beeinflussen. Kugelsperrbolzen mit hoher Scherfestigkeit sind durch eine Kennzeichnungsrille am Bolzen markiert. Vorteile: Höhere Belastbarkeit im Vergleich zu den Standard-Kugelsperrbolzen. Der Bolzen aus nichtrostendem Edelstahl 1.4542 ist gehärtet, weist eine hohe Scherfestigkeit auf und ist extrem belastbar. Zubehör: Aufnahmebuchsen für Kugelsperrbolzen K0724 Sicherungs-Spiralkabel K0367 Halteseile mit Öse K0367 Schlüsselring K0367

Technische Eigenschaften:

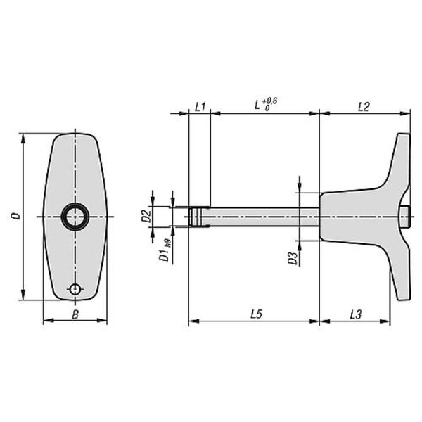
  • Aufnahme- bohrung H11: 12
  • Ausführung 1: mit T-Griff
  • Ausführung 2: hohe Scherfestigkeit
  • B: 33
  • Benennung: Kugelsperrbolzen
  • D: 81,8
  • D1=Bolzendurchmesser: 12
  • D2: 14,5
  • D3: 26,3
  • Farbe Komponente: schwarzgrau RAL 7021
  • Gewicht in kg (ERP): 0.1056
  • Kugelsperrbolzen Griff : t-rocaj širok dolg
  • L=Länge: 50
  • L1: 9,9
  • L2: 39,5
  • L3: 28,8
  • L5: 59,9
  • Material Grundkörper: Edelstahl
  • Material Komponente: Thermoplast
  • Scherkraft zweischnittig max. kN: 144
  • Stahlschlüssel Grundkörper: 1.4542
  • Preis inkl. MwSt.<span class="pricecomponent" ><span class="price" itemprop="price" content="42.44">42,44</span>&nbsp;<span class="currency" itemprop="priceCurrency" content="EUR">€</span></span>
  • Preis exkl. MwSt.35,66 
  • Preis exkl. MwSt.35,66 
Technische Daten
  • Gewicht105,60 kg
  • EAN4059245324880
  • Herstellerartikelnummer230092
  • ProduktartKugelsperrbolzen
  • Ausführungmit T-Griff
  • ECLASS 14.021-02-07-01 (Spannelement, Schnellspanner)
  • Gewicht pro1000
  • Zolltarifnummer73182900
  • Hersteller/MarkeKIPP
  • Größe12
  • Setnein