NORELEM Spannsatz Form F kurze Bauform mit Axialring

SPANNSATZ, D=50 D1=80, FORM:F STAHL
Artikelnummer: 48023358-5080
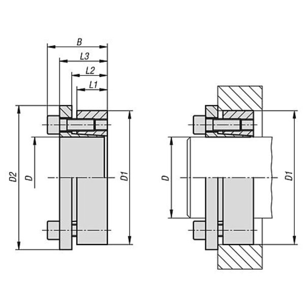
Werkstoff: Stahl. Ausführung: blank. Bestellbeispiel: nlm 23358-1947 Hinweis: Spannsatz mit kurzer axialer Baubreite. - für Wellendurchmesser von 19 bis 85 mm - für mittlere bis hohe Drehmomente - keine axiale Verschiebung bei der Montage - selbstzentrierend Montage: Spannsatz an den Konusflächen sowie Kontaktstellen von Welle und Nabe leicht ölen. Kein MoS2 oder Fett verwenden. Spannsatz in den Nabensitz einfügen und auf die Welle schieben. Schrauben über Kreuz in mehreren Stufen auf angegebenes Anziehdrehmoment anziehen. Demontage: Alle Schrauben entfernen und in die Abdrückgewinde des vorderen Flansches eindrehen. Schrauben über Kreuz in mehreren Stufen anziehen bis sich der Spannsatz löst. Toleranzen: Welle: Empfohlen wird die Toleranz h8. Oberflächenbeschaffenheit Rz = 16 µm. Nabe: Empfohlen wird die Toleranz H8. Oberflächenbeschaffenheit Rz = 16 µm.

Technische Eigenschaften:

  • B: 41
  • Bei Anziehdrehmoment MS übertragbare Axialkraft F kN: 74
  • Bei Anziehdrehmoment MS übertragbares Drehmoment M Nm: 1890
  • Benennung: Spannsatz
  • D=Innendurchmesser: 50
  • D1=Außendurchmesser: 80
  • D2: 89
  • Flächenpressung an Nabe P N/mm²: 125
  • Flächenpressung an Welle P N/mm²: 205
  • Form: F
  • Gewicht in kg (ERP): 0.7461
  • L1: 20
  • L2: 27
  • L3: 33
  • Material Grundkörper: Stahl
  • Spannschrauben Anzahl: 7 x M8
  • Spannschrauben Anziehdrehmoment MS Nm: 41
  • Preis inkl. MwSt.<span class="pricecomponent" ><span class="price" itemprop="price" content="38.63">38,63</span>&nbsp;<span class="currency" itemprop="priceCurrency" content="EUR">€</span></span>
  • Preis exkl. MwSt.32,46 
  • Preis exkl. MwSt.32,46 
Technische Daten
  • Gewicht746 g
  • EAN4059495305202
  • Hersteller/MarkeNORELEM
  • GrößeD=50, D1=80
  • ECLASS 14.021-13-08-05 (Schnellspannvorrichtung (Normalie, Werkzeugbau))
  • Gewicht pro1
  • Zolltarifnummer84879059
  • ProduktartSpannsatz
  • Ausführungblank