KIPP Schnellspann-Rändelmutter M6

RÄNDELMUTTER MIT SCHNELLSPANNFUNKTION M06, D1=24, H=14, VERGÜTUNGSSTAHL BRÜNIERT
Artikelnummer: 480K0139.06
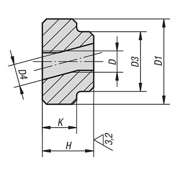
Rändelmuttern mit Schnellspannfunktion finden ihre Anwendung bei allen Vorrichtungen, wo keine großen Spannkräfte benötigt werden. Die Funktion wird über ein halbseitiges Gewinde erreicht. Werkstoff: Vergütungsstahl oder Edelstahl 1.4404. Ausführung: Stahl vergütet und brüniert. Edelstahl blank. Bestellbeispiel: K0139.08 Zeichnungshinweis: X: Der Gewindebolzen sollte einige mm länger sein als die Höhe "H"

Technische Eigenschaften:

  • Ausführung 1: mit Schnellspannfunktion
  • Benennung: Rändelmutter
  • D=Gewinde: M6
  • D1=Außendurchmesser: 24
  • D3: 16
  • D4: 6,2
  • Gewicht in kg (ERP): 0.0358
  • Gewindeart: Innengewinde
  • H=Höhe: 14
  • K: 10
  • Material Grundkörper: Vergütungsstahl
  • Oberfläche Grundkörper: brüniert
  • Preis inkl. MwSt.<span class="pricecomponent" ><span class="price" itemprop="price" content="16.91">16,91</span>&nbsp;<span class="currency" itemprop="priceCurrency" content="EUR">€</span></span>
  • Preis exkl. MwSt.14,21 
  • Preis exkl. MwSt.14,21 
Technische Daten
  • Gewicht35,80 kg
  • EAN4059245036677
  • Herstellerartikelnummer112891
  • ProduktartRändelmutter
  • AusführungStahl vergütet und brüniert
  • ECLASS 14.021-13-08-05 (Schnellspannvorrichtung (Normalie, Werkzeugbau))
  • Gewicht pro1000
  • Zolltarifnummer73181692
  • Hersteller/MarkeKIPP
  • GrößeM6
  • Setnein