AUFSPANNWÜRFEL MIT RASTERBOHRUNGEN,

AUFSPANNWÜRFEL MIT RASTERBOHRUNGEN, FORM:B, L=630, L1=350, H=850, D=16, D1=M16 GJL300
Artikelnummer: 480K0805.216063085
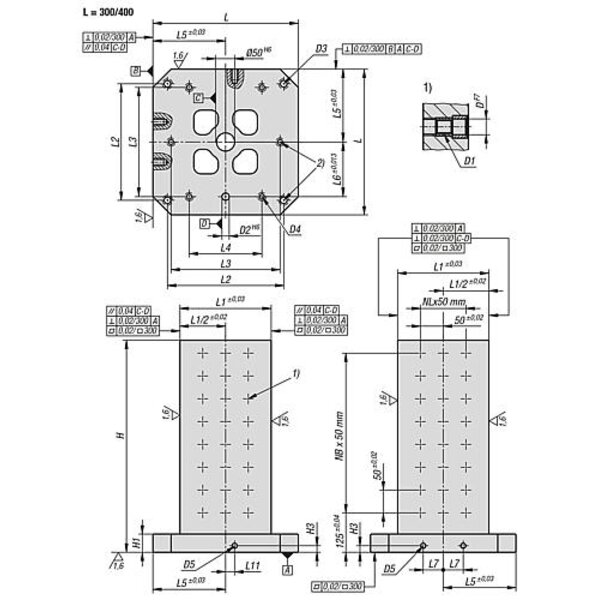
Werkstoff: GJL 300. Ausführung: Auflage- und Aufspannflächen präzisionsbearbeitet. Bestellbeispiel: K0805.212030050 Hinweis: Rasterabstand 50 ±0,02 mm. Aufspannwürfel mit Rasterbohrungen werden auf horizontalen Bearbeitungszentren eingesetzt. Die alphanumerisch beschrifteten Rasterbohrungen garantieren eine definierte Zuordnung der Spannelemente im Wiederholfall. Die Aufspannwürfel sind abgestimmt auf Maschinentischen für Werkzeugmaschinen nach DIN 55201 und JIS6337-1980. Positionierbolzen zum Abstecken der Paletten auf Maschinentischen nach DIN 55201 müssen separat bestellt werden. Schutzstopfen zum Verschließen der Rasterbohrungen müssen separat bestellen werden. Lieferung inklusive Ringschrauben für den Transport. Weitere Abmessungen auf Anfrage. Zeichnungshinweis: 1) Rasterbohrung 2) Durchgangsbohrung für Zylinderschraube DIN 912 (D3/D4)

Technische Eigenschaften:

  • Anzahl der Rasterbohrungen: 360
  • Ausführung 1: mit Rasterbohrungen
  • Benennung: Aufspannwürfel
  • D=Passbohrung: 16
  • D1=Gewinde: M16
  • D2=Innendurchmesser: 25
  • D3=Befestigungsbohrung: M16
  • D4=Befestigungsbohrung: M16
  • D5=Gewinde: M16
  • Form: B
  • Gewicht in kg (ERP): 440.0000
  • H=Höhe: 850
  • H1: 50
  • H3: 18
  • L=Länge: 630
  • L1: 350
  • L11: 25
  • L2: 500
  • L3: 400
  • L5: 315
  • L6: 200
  • L7: 100
  • Material Grundkörper: GJL300
  • NB=Anzahl in Querrichtung: 14
  • NL=Anzahl in Längsrichtung: 5
  • Preis inkl. MwSt.<span class="pricecomponent" ><span class="price" itemprop="price" content="11611.02">11.611,02</span>&nbsp;<span class="currency" itemprop="priceCurrency" content="EUR">€</span></span>
  • Preis exkl. MwSt.9.757,16 
  • Preis exkl. MwSt.9.757,16 
Technische Daten
  • Gewicht440 kg
  • EAN4059245493524
  • Herstellerartikelnummer248508
  • ProduktartAufspannwürfel
  • AusführungAuflage- und Aufspannflächen präzisionsbearbeitet
  • Gewicht pro1
  • Zolltarifnummer84662020
  • Hersteller/MarkeKIPP
  • GrößeL=630, H=850, D=16
  • ECLASS 14.021-13-01-12 (Platte (Normalie, Werkzeugbau))