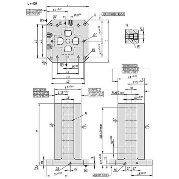
AUFSPANNTURM 4-SEITIG, MIT

AUFSPANNTURM 4-SEITIG, MIT RASTERBOHRUNGEN, FORM:B, L=800, L1=500, H=1000, D1=M12, GJL300
Artikelnummer: 480K1533.21280100
Werkstoff: GJL 300. Ausführung: Auflage- und Aufspannflächen präzisionsbearbeitet. Bestellbeispiel: K1533.21240050 Hinweis: Rasterabstand 50 ±0,02 mm. Aufspanntürme mit Rasterbohrungen werden auf horizontalen Bearbeitungszentren eingesetzt. Die alphanumerisch beschrifteten Rasterbohrungen garantieren eine definierte Zuordnung der Spannelemente im Wiederholfall. Die Aufspanntürme sind abgestimmt auf Maschinentische für Werkzeugmaschinen nach DIN 55201 und JIS6337-1980. Positionierbolzen zum Abstecken der Paletten auf Maschinentische nach DIN 55201 müssen separat bestellt werden. Schutzstopfen zum Verschließen der Rasterbohrungen müssen separat bestellt werden. Lieferung inklusive Ringschrauben für den Transport. Weitere Abmessungen auf Anfrage. Auf Anfrage: weitere Abmessungen. Zeichnungshinweis: 1) Rasterbohrung 2) Durchgangsbohrung für Zylinderschraube DIN 912 (D3/D4)

Technische Eigenschaften:

  • Anzahl der Rasterbohrungen: 432
  • Ausführung 1: 4-seitig
  • Ausführung 2: mit Rasterbohrungen
  • Benennung: Aufspannturm
  • D=Passbohrung: 12
  • D1=Gewinde: M12
  • D2=Innendurchmesser: 25
  • D3=Befestigungsbohrung: M16
  • D4=Befestigungsbohrung: M16
  • D5=Gewinde: M16
  • Form: B
  • Gewicht in kg (ERP): 740.0000
  • H=Höhe: 1000
  • H1: 50
  • L=Länge: 800
  • L1: 500
  • L2: 640
  • L3: 600
  • L4: 400
  • L5: 400
  • L6: 300
  • L7: 135
  • L8: 300
  • Material Grundkörper: GJL300
  • NB=Anzahl in Querrichtung: 17
  • NL=Anzahl in Längsrichtung: 5
  • Preis inkl. MwSt.<span class="pricecomponent" ><span class="price" itemprop="price" content="15769.53">15.769,53</span>&nbsp;<span class="currency" itemprop="priceCurrency" content="EUR">€</span></span>
  • Preis exkl. MwSt.13.251,71 
  • Preis exkl. MwSt.13.251,71 
Technische Daten
  • Gewicht740 kg
  • EAN4059245496242
  • Herstellerartikelnummer249387
  • ProduktartAufspannturm
  • Ausführung4-seitig, mit Rasterbohrungen
  • Gewicht pro1
  • Zolltarifnummer84662020
  • Hersteller/MarkeKIPP
  • GrößeH=1000
  • ECLASS 14.021-13-01-12 (Platte (Normalie, Werkzeugbau))