AUFSPANNTURM 6-SEITIG,

AUFSPANNTURM 6-SEITIG, M.VORBEARB.AUFSPANNFLÄCHEN, FORM:A, L=800, L1=501, H=800, GJL300
Artikelnummer: 480K1534.10080080
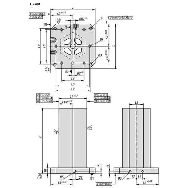
Werkstoff: GJL 300. Ausführung: Auflage- und Aufspannflächen präzisionsbearbeitet. Die Aufspannflächen sind mit 1 mm Aufmaß vorbearbeitet. Bestellbeispiel: K1534.10040050 Hinweis: Aufspanntürme mit vorgearbeiteten Aufspannflächen bieten eine schnelle und wirtschaftliche Möglichkeit, Grundkörper mit spezifischen Raster- oder individuellen Bohrungen herzustellen. Der Fuß ist fertig bearbeitet für die Montage auf den Maschinentisch. Die Aufspannflächen können kundenseitig auf Fertigmaß bearbeitet werden. Die Aufspanntürme sind abgestimmt auf Maschinentische für Werkzeugmaschinen nach DIN 55201 und JIS6337-1980. Positionierbolzen zum Abstecken der Paletten auf Maschinentische nach DIN 55201 müssen separat bestellt werden. Lieferung inklusive Ringschrauben für den Transport. Weitere Abmessungen auf Anfrage. Auf Anfrage: weitere Abmessungen. Zeichnungshinweis: 1) Durchgangsbohrung für Zylinderschraube DIN 912 (D3/D4)

Technische Eigenschaften:

  • Ausführung 1: 6-seitig
  • Ausführung 2: mit vorbearbeiteten Aufspannflächen
  • Benennung: Aufspannturm
  • D2=Innendurchmesser: 25
  • D3=Befestigungsbohrung: M16
  • D4=Befestigungsbohrung: M16
  • D5=Gewinde: M16
  • Form: A
  • Gewicht in kg (ERP): 619.0000
  • H=Höhe: 800
  • H1: 50
  • L=Länge: 800
  • L1: 501
  • L2: 640
  • L3: 600
  • L4: 400
  • L5: 400
  • L6: 300
  • L7: 135
  • L8: 289,6
  • Material Grundkörper: GJL300
  • Preis inkl. MwSt.<span class="pricecomponent" ><span class="price" itemprop="price" content="8939.28">8.939,28</span>&nbsp;<span class="currency" itemprop="priceCurrency" content="EUR">€</span></span>
  • Preis exkl. MwSt.7.512,00 
  • Preis exkl. MwSt.7.512,00 
Technische Daten
  • Gewicht619 kg
  • EAN4059245496396
  • Herstellerartikelnummer249362
  • ProduktartAufspannturm
  • Ausführung6-seitig, mit vorbearbeiteten Aufspannflächen
  • ECLASS 14.021-13-01-12 (Platte (Normalie, Werkzeugbau))
  • Gewicht pro1
  • Zolltarifnummer84662020
  • Hersteller/MarkeKIPP
  • GrößeL=800, H=800
  • Setnein