Vollhartmetallbohrer CoroDrill 860-GM

CoroDrill® 860-GM Solid carbide drill
Artikelnummer: 520860.1-0700-036A0-GM X1BM
CoroDrill® 860 Vollhartmetallbohrer

Technische Eigenschaften:

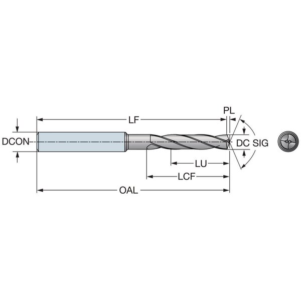
  • Abstand Schneidenecke zu Schneidenspitze(PL): 1.2 mm
  • Adapterschnittstelle Maschinenrichtung(ADINTMS): M_CYLRD1_F8000_1
  • Anzahl wirksamer Schneiden, stirnseitig(ZEFF): 2
  • Aufnahmedurchmesser(DCONMS): 8 mm
  • Beschichtung(COATING): PVD TiAlSiN+TiSiN
  • Drehzahl, max. (-81, -82: Maximale Drehzahl)(RPMX): 10459 1/min
  • Erreichbare Bohrungstoleranz(TCHA): H9
  • Funktionslänge(LF): 89.8 mm
  • Gesamtlänge(OAL): 91 mm
  • Kühlschmierstoffeintritt(CNSC): 0
  • Masse (Gewicht)(WT): 0.05 kg
  • NormalizedIsoOrderCode: 86010700036A0GMX1BM
  • Nutzlänge(LU): 36.2 mm
  • Orthogonalspanwinkel(GAMO): 20.45 deg
  • Schneidendurchmesser(DC): 7 mm
  • Sorte(GRADE): X1BM
  • Spanbrecher, Herstellerbezeichnung(CBMD): GM
  • Spannutenlänge(LCF): 53 mm
  • Spitzenwinkel(SIG): 140 deg
  • Substrat(SUBSTRATE): HC
  • Toleranz Schaftdurchmesser(TCDCON): h6

Dieses Produkt ersetzt folgende Artikel:

  • Vollhartmetallbohrer CoroDrill Delta-C
  • Artikelnummer: 520R840-0700-50-A0A 1220
  • Herstellerartikelnummer: R840070050A0A1220
  • Preis inkl. MwSt.<span class="pricecomponent" ><span class="price" itemprop="price" content="108.91">108,91</span>&nbsp;<span class="currency" itemprop="priceCurrency" content="EUR">€</span></span>
  • Preis exkl. MwSt.91,52 
  • Preis exkl. MwSt.91,52 
Technische Daten
  • Gewicht50 g
  • EAN7323224677449
  • Herstellerartikelnummer86010700036A0GMX1BM
  • PT-Teilenummer3838367
  • Schneidendurchmesser7
  • Nutzlänge36.2
  • Gewicht pro1
  • Zolltarifnummer82075050
  • Hersteller/MarkeSANDVIK COROMANT
  • SchneidstoffVHM
  • Gesamtlänge91
  • ECLASS 14.021-01-25-91 (Bohrer für mineralisches Material (Teile))