KIPP Stellfuß Für Hygienebereich Form:A

STELLFUß FÜR HYGIENEBEREICH, FORM:A OHNE BEFESTIGUNGSBOHRUNG, D=100 M16X140, EDELSTAHL 1.4301
Artikelnummer: 480K1303.110016X140
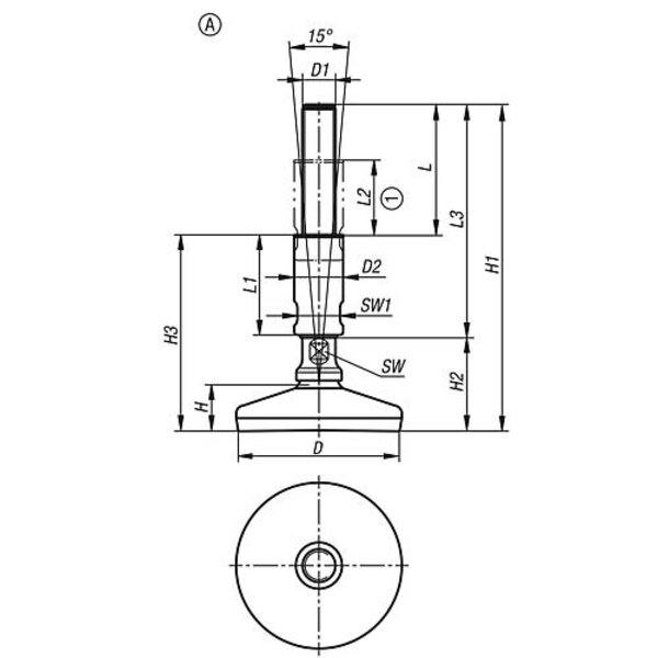
Werkstoff: Fußteller und Gewindespindel Edelstahl 1.4301. Gummiauflage (NBR) 85 Shore +/-5, FDA geprüft. Gummi-Dichtung Silikon, FDA geprüft. Ausführung: Fußteller hochglanzpoliert. Gewindespindel blank. Gummiauflage schwarz. Gummi-Dichtung blau. Hinweis: Zertifiziert nach 3-A Sanitary Standard. Die hohe Oberflächengüte und die 2-fache Abdichtung des Gewindeganges und Sonderdichtung am Spindelgelenk des Maschinenstellfußes, verhindert das Anhaften von Schmutz und reduziert Reinigungszeiten auf ein Minimum. Der Maschinenfuß wird mit 3-A Logo geliefert. Anwendung: Der Maschinenfuß ist im speziellen für Maschinen, Anlagen und Apparate in der Lebensmittelindustrie, Brauerei, Molkerei, Getränke- sowie Pharmaindustrie geeignet. Zubehör: Hygienic USIT® Dicht- und Unterlegscheibe K1491. Sechskant Hutmutter mit Bund K1493. Gewindeabdeckung K1821. Zeichnungshinweis: 1) Verstellbereich

Technische Eigenschaften:

  • Ausführung 1: für Hygienebereich
  • Belastbarkeit max. kN (nur bei statischer Belastung): 25
  • Benennung: Stellfuß
  • D=Tellerdurchmesser: 100
  • D1=Gewinde: M16
  • D2: 24
  • Form: A
  • Form-Typ: ohne Befestigungsbohrung
  • Gewicht in kg (ERP): 0.7817
  • H=Höhe: 28
  • H1=Gesamthöhe: 196
  • H2: 56
  • H3: 117
  • L=Gewindelänge: 79
  • L1: 60
  • L2: 45
  • L3: 140
  • Material Grundkörper: Edelstahl
  • Stahlschlüssel Grundkörper: 1.4301
  • SW: 13
  • SW1: 20
  • Preis inkl. MwSt.<span class="pricecomponent" ><span class="price" itemprop="price" content="93.88">93,88</span>&nbsp;<span class="currency" itemprop="priceCurrency" content="EUR">€</span></span>
  • Preis exkl. MwSt.78,89 
  • Preis exkl. MwSt.78,89 
Technische Daten
  • Gewicht781,65 kg
  • EAN4059245337842
  • Herstellerartikelnummer233970
  • ProduktartStellfuß
  • Gewicht pro1000
  • Zolltarifnummer73181900
  • Hersteller/MarkeKIPP
  • ECLASS 14.023-25-06-07 (Sockelverstellfuß (Möbelunterbau))