NORELEM Kugelsperrbolzen

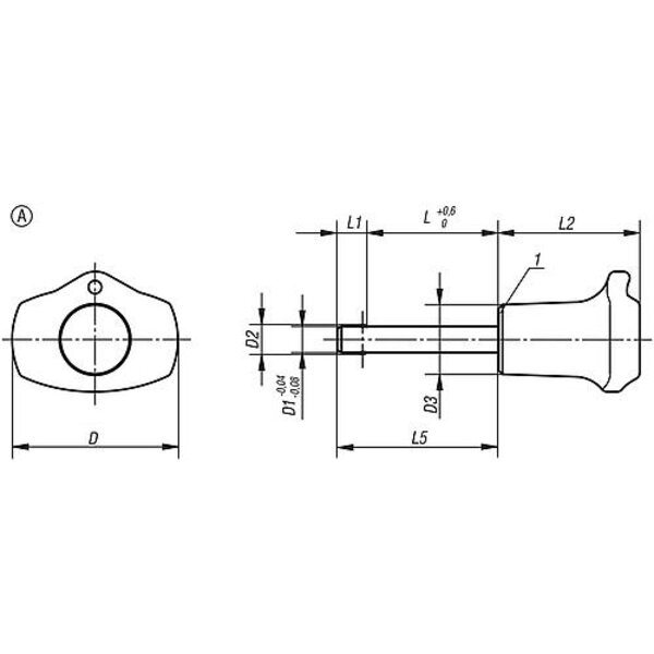
KUGELSPERRBOLZEN MIT PILZGRIFF, FORM:A METALLBUND, D1=10, L=60, L1=9, L5=69, ...
Artikelnummer: 48003193-4710060
Werkstoff: Griff, Druckknopf Thermoplast. Stahlteile Edelstahl. Ausführung: Griff schwarz. Druckknopf verkehrsrot. Stahlteile blank. Hinweis: Kugelsperrbolzen dienen zum schnellen und einfachen Fixieren und Verbinden von Teilen und Werkstücken. Durch Drücken des Druckknopfes können die beiden Kugeln entriegelt und somit die zu verbindenden Teile abgesteckt werden. Wird der Druckknopf losgelassen, verriegeln die Kugeln sicher und unlösbar die Verbindung. Die Ausführung Form A ist für Einsatzbereiche geeignet, für die höhere und präzisere Anforderungen erfüllt werden müssen. Scherkraft zweischnittig (F) = S · t aB max. Bei den Angaben zur Scherkraft handelt es sich um die theoretische Bruchlast. Es sind unverbindliche Richtwerte ohne Berücksichtigung von Sicherheitsfaktoren und unter Ausschluss jeglicher Haftung. Die angegebenen Werte dienen ausschließlich der Information und stellen keine rechtsverbindliche Zusicherung von Eigenschaften dar. Die Belastungswerte sind in Anlehnung an die DIN 50141 rechnerisch ermittelt worden. Ob der Kugelsperrbolzen für die jeweilige Anwendung geeignet ist, muss jeder Anwender individuell ermitteln. Unterschiedlichste Werkstoffe, an denen die Kugelsperrbolzen eingesetzt werden, Witterungsbedingungen, sowie Verschleiß können die ermittelten Werte beeinflussen. Merkmale: Form A: Bolzen geschliffen, Metallbund, hohe axiale Auszugskraft Zubehör: Aufnahmebuchsen für Kugelsperrbolzen 03197 Sicherungs-Spiralkabel 03199 Halteseile mit Öse 03199 Schlüsselring 03199 Zeichnungshinweis: 1) Metallbund

Technische Eigenschaften:

  • Aufnahme- bohrung H11: 10
  • Ausführung 1: mit Pilzgriff
  • Ausführung 2: Metallbund
  • Benennung: Kugelsperrbolzen
  • D: 47
  • D1=Bolzendurchmesser: 10
  • D2: 12
  • D3: 23
  • Farbe Deckel : verkehrsrot RAL 3020
  • Farbe Komponente: schwarz
  • Form: A
  • Gewicht in kg (ERP): 0.1046
  • L=Länge: 60
  • L1: 9
  • L2: 40
  • L5: 69
  • Material Grundkörper: Edelstahl
  • Material Komponente: Thermoplast
  • Oberfläche Grundkörper: blank
  • PL Edelstahl: true
  • Scherkraft zweischnittig max. kN: 60
  • Ursprungs-Region: 08
  • Preis inkl. MwSt.<span class="pricecomponent" ><span class="price" itemprop="price" content="49.37">49,37</span>&nbsp;<span class="currency" itemprop="priceCurrency" content="EUR">€</span></span>
  • Preis exkl. MwSt.41,49 
  • Preis exkl. MwSt.41,49 
Technische Daten
  • Gewicht105 g
  • EAN4059495033952
  • Herstellerartikelnummer108278
  • Norm["DIN 50141"]
  • ECLASS 14.023-10-01-03 (Führungs- und Exzenterbolzen)
  • Gewicht pro1
  • Zolltarifnummer73182900
  • Hersteller/MarkeNORELEM
  • ProduktartKugelsperrbolzen