KIPP Arretierbolzen Gr. 1 Form B niro

ARRETIERBOLZEN GR.1 D1=M10X1, D=5, FORM:B O.RASTNUT, M.KONTERMUTTER, EDELSTAHL 1.4305 UNGEHÄRTET,
Artikelnummer: 480K0632.112105
Arretierbolzen werden eingesetzt, wenn eine Veränderung der Arretierstellung durch Querkräfte verhindert werden soll. Beispiele hierfür sind Längen- und Höhenarretierung sowie Positionsarretierung im Maschinen-, Geräte-, Möbel- und Sonderfahrzeugbau. Erst nach handbetätigter Ausrückung des Bolzens kann in eine andere Arretierstellung gefahren werden. Soll die Ausrückung über längere Zeit erfolgen und ein Zurückspringen des Arretierstiftes vermieden werden, so ist die Form C bzw. Form D zu verwenden. Die verwendeten Werkstoffe ermöglichen einen vielfältigen Einsatz bis hin zu Anwendungen mit höchsten Anforderungen an die Korossionsbeständigkeit. Werkstoff: Ausführung: Edelstahlausführung A2: Gewindehülse blank. Pilzgriff blank. Arretierstift gehärtet oder nicht gehärtet, geschliffen und blank. Edelstahlausführung A4: Gewindehülse blank. Pilzgriff blank oder gestrahlt. Arretierstift geschliffen, chemisch vernickelt oder blank. Hinweis: Arretierbolzen werden dort eingesetzt, wo eine Veränderung der Arretierstellung durch Querkräfte verhindert werden soll. Erst nach handbetätigter Ausrückung des Bolzens kann in eine andere Arretierstellung gefahren werden. Soll die Ausrückung über längere Zeit erfolgen und ein Zurückspringen des Arretierstiftes vermieden werden, so ist die Form C bzw. Form D zu verwenden. Auf Anfrage: Sonderausführungen. Zubehör: Distanzringe K0665

Technische Eigenschaften:

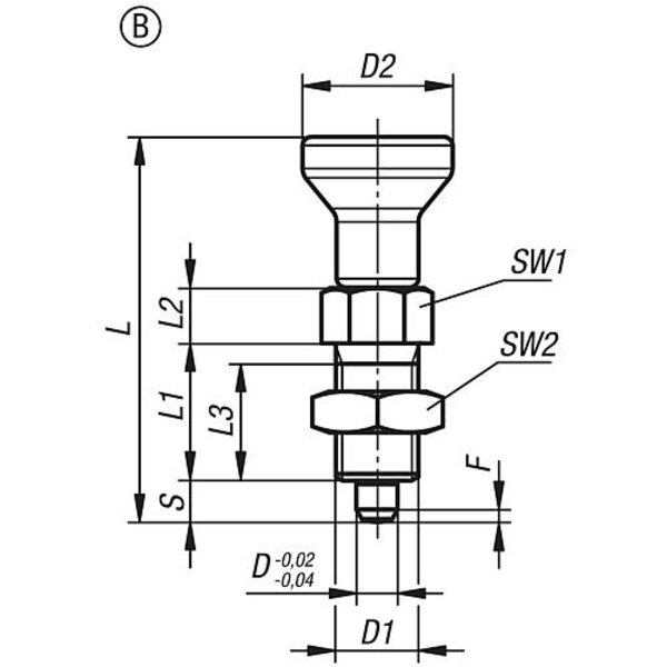
  • Ausführung 1: ohne Rastnut
  • Benennung: Arretierbolzen
  • D=Bolzendurchmesser: 5
  • D1=Gewinde: M10x1
  • D2: 21
  • F x 30°: 1,3
  • Federkraft Anfang F1 ca. N: 5
  • Federkraft Ende F2 ca. N: 12
  • Form: B
  • Form-Typ: ohne Rastnut, mit Kontermutter
  • Gewicht in kg (ERP): 0.0545
  • Größe: 1
  • Hub S: 5
  • Kontermutter: mit Kontermutter
  • L=Länge: 50
  • L1: 17
  • L2: 7
  • L3: 15
  • Material Grundkörper: Edelstahl
  • Material Komponente: Edelstahl
  • Oberfläche Grundkörper: ungehärtet
  • Produkttyp: Standard
  • Stahlschlüssel Grundkörper: 1.4305
  • SW1: 13
  • SW2: 17
  • Preis inkl. MwSt.<span class="pricecomponent" ><span class="price" itemprop="price" content="25.34">25,34</span>&nbsp;<span class="currency" itemprop="priceCurrency" content="EUR">€</span></span>
  • Preis exkl. MwSt.21,29 
  • Preis exkl. MwSt.21,29 
Technische Daten
  • Gewicht54,47 kg
  • EAN4059245010646
  • Herstellerartikelnummer105889
  • WerkstoffEdelstahl 1.4305
  • ECLASS 14.023-10-01-90 (Bolzen, Stift zylindrisch (nicht spezifiziert))
  • Gewicht pro1000
  • Zolltarifnummer73181900
  • Hersteller/MarkeKIPP
  • ProduktartArretierbolzen